ABLIC S-82L4A Battery Protection ICs
ABLIC S-82L4A Battery Protection ICs are designed for 3-serial or 4-serial secondary protection of lithium-ion rechargeable batteries. These ICs incorporate high-accuracy voltage detection circuits and delay circuits for the real-time clock and CTL pin. The S-82L4A ICs feature a 2mA maximum VRTC pin output current, low current consumption, and a 1.5V to 3.3V (100mV step) VRTC pin output voltage range. These ICs include delay times generated only by an internal circuit with 1s, 2s, 4s, and 6s VRTC pin shutdown delay times. The S-82L4A battery protection ICs are lead-free and halogen-free.Features
- High-accuracy voltage detection circuit for each cell:
- Overcharge detection voltage:
- 3.600V to 5V (5mV steps)
- ±15mV (Ta = +25°C) accuracy
- ±20mV (Ta = -10°C to +60°C) accuracy
- Overcharge release voltage:
- 3.600V to 5V
- ±50mV accuracy
- VRTC pin shutdown voltage:
- 2.500V to 2.800V (100mV step)
- ±50mV accuracy
- Overcharge detection voltage:
- Delay times are generated only by an internal circuit (external capacitors are unnecessary) (1s, 2s, 4s, and 6s overcharge detection delay time, VRTC pin shutdown delay time)
- 2mA maximum VRTC pin output current
- 1.500V to 3.300V (100mV step) VRTC pin output voltage with ±2% (Ta = +25°C) accuracy
- CO pin output voltage is limited to 7.5V maximum
- Output control function via CTL pin (CTL pin is pulled down internally)
- Overcharge timer reset function (available and unavailable)
- -40°C to +85°C wide operating temperature range
- Lead-free (Sn 100%) and halogen-free
Product Overview
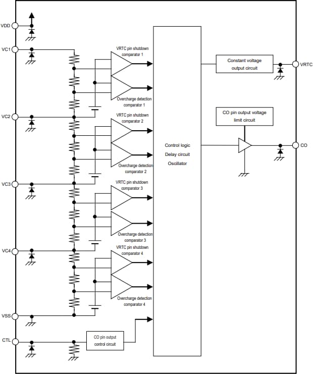
Block Diagram
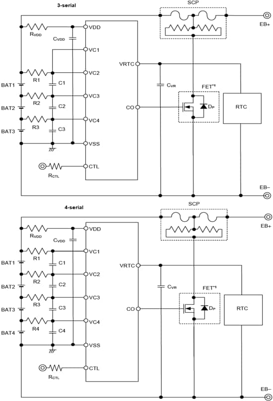
Battery Protection IC Connection Examples
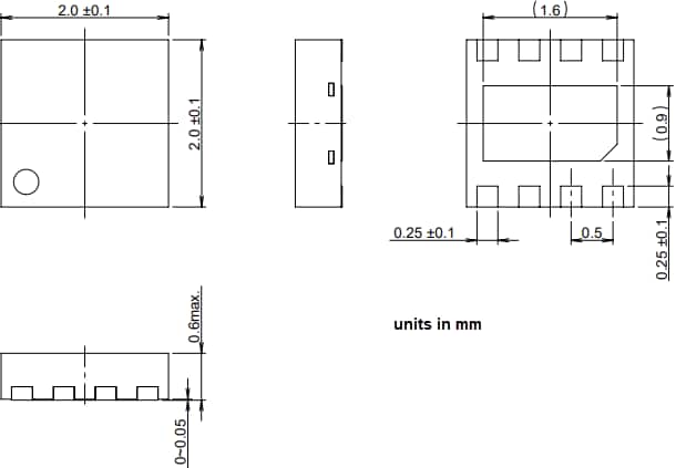
Dimension Diagram
Đã phát hành: 2025-06-05
| Đã cập nhật: 2025-06-12
