Abracon ARJ-102S 1-Port 1000Base-T SMD RJ45 Connector
Abracon ARJ-102S 1-Port 1000Base-T SMD RJ45 Connector with integrated magnetics provides 10/100/1000Base-T compatibility. This surface-mount device features metal fingers for excellent EMI performance. Abracon ARJ-102S 1-Port 1000Base-T SMD RJ45 Connector operates in a wide temperature range from -40°C to +85°C. Typical applications include the Internet of Things (IoT) and industrial IoT, video IP cameras, industrial robots, and more.Features
- 10/100/1000Base-T compatibility
- Surface-mount device
- Wide -40°C to +85°C operating temperature range
- Integrated magnetics
- Integrated shielding and metal fingers for excellent
- EMI performance
Applications
- Industrial IoT/IoT
- Video IP cameras
- Machine-to-machine (M2M)
- Industrial process control
- Industrial robotics
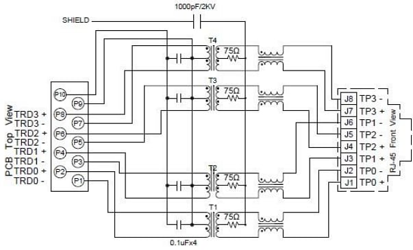
Schematic
Đã phát hành: 2017-01-20
| Đã cập nhật: 2022-03-11
