Advanced Energy / Artesyn NDQ900 900W Quarter-Brick DC-DC Converters
Advanced Energy / Artesyn NDQ900 900W Quarter-Brick DC-DC Converters feature a 12.25V single output voltage and an input range of 40VDC to 60VDC. These converters have a standard quarter-brick outline and pin configuration, and they offer an ultra-high peak efficiency of 96.7%, a 50mVpk-pk noise/ripple rating, and a 4mF electrolytic capacitor. NDQ900 converters are suitable for 48V to 12V down conversion in high-power computing and storage applications. Advanced Energy / Artesyn \ NDQ900 DC-DC Converters have an operating temperature range of -40°C to +85°C with forced air cooling and an optional PMBus® interface.Features
- Fixed switching frequency
- Parallel operation, active current sharing
- Optional PMBus interface
- Remote control function
- Power-good function
- No minimum load required
- High reliability
- Excellent thermal performance
- Protections
- Input undervoltage
- Input overvoltage
- Output overvoltage
- Output overcurrent
- Overtemperature
Applications
- Routing/switching
- Storage
- Rack/blader servers
Specifications
- 900W total power rating
- 40VDC to 60VDC input voltage range
- 12.25V single output rating
- 96.7% peak efficiency
- 24.3A maximum input current rating
- 12V nominal output voltage rating
- -40°C to +85°C operating temperature range
- Safety
- IEC/EN/UL/CSA 62368-1
- CE and UCKA mark
- UL/TUV
- UL 94V-0
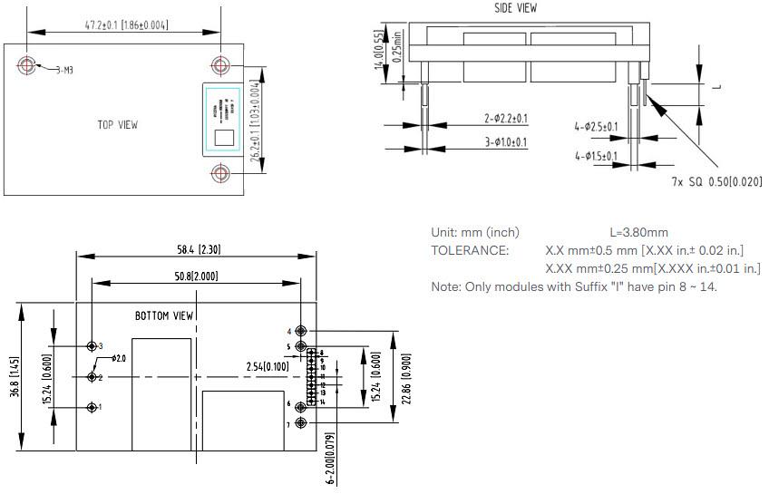
Mechanical Drawing
Đã phát hành: 2025-01-23
| Đã cập nhật: 2025-09-09
