Advanced Photonix E-VNG0031PSD 2D PSD Analog Modules
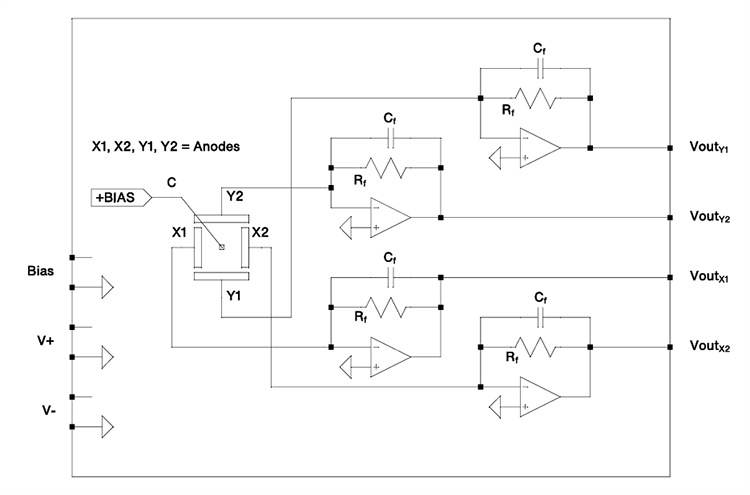
Advanced Photonix E-VNG0031PSD 2D Position Sensitive Detector (PSD) Analog Modules feature a 2mm diameter active area 2D tetra-lateral extended visible InGaAs position sensitive detector (PSD) with integrated transimpedance amplifiers (TIA). These devices offer enhanced spectral sensitivity from 400nm to 1700nm. The PSDs are available with two options of 0.5kΩ and 2.2kΩ interelectrode resistance. While quadrant detectors require overlap in all quadrants, the lateral effect PSDs provide positional information of any location within the detector region, independent of beam shape, size, and power distribution. All analog inputs and outputs utilize standard SMA connectors. The housing can accommodate standard UNC for optical and cage mount and any C-Mount threaded camera lenses.Features
- SMA connectors input/output
- UNC for cage and optical mount
- 400nm to 1700nm spectral range
- 3.1mm2 typical active area, ø2mm active area diameter
- 3.1V to 5.25V supply voltage range
- 4V maximum reverse bias
- 5MHz cutoff frequency
- 20μm position detection error
- 2.2kΩ typical PSD inter-electrode resistance
- 0°C to +70°C operating temperature range
Applications
- Two-dimensional measurements
- Optical axis alignment
- Free space communication
- Distance sensors
Block Diagram
Mechanical Specifications
Đã phát hành: 2024-09-24
| Đã cập nhật: 2024-09-30
