Advantech iDAQ-8 Series Analog Output Modules
Advantech iDAQ-8 series Analog Output Modules feature 4-channel, 16 bits resolution, and maximum update rates of 10kS/s/ch. These iDAQ-8 series modules are Hot-swappable in the iDAQ system and offer multiple voltages and current output ranges. The Analog output modules offer 4 x 16-bit analog output channels with 600VRMS isolation. These iDAQ-8 series modules feature detachable Euro-type spring terminal connectors. The Analog output modules operate at -20°C to 60°C operating temperature range, 0.675W power consumption, and -40°C to 70°C storage temperature range.Features
- Hot-swappable in the iDAQ system
- Detachable Euro-type spring terminal connectors
- 4 x 16-bit analog output channels with 600VRMS isolation
- Multiple voltages and current output range
- Operation mode:
- Static or buffered
- Software configurable
Specifications
- 0.675W power consumption
- 4 channels analog input
- 16 bits resolution
- 1V/μs output slew rate
- 5Grms vibration
- Output load:
- 1kΩ min output voltage
- 520Ω max output current
- Output impedance:
- 0.06Ω typical output voltage
- 100MΩ typical output current
- 600VRMS isolation protection
- -40°C to 70°C storage temperature range
- -20°C to 60°C operating temperature range
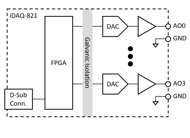
Block Diagram
Videos
Additional Resource
Đã phát hành: 2022-06-09
| Đã cập nhật: 2023-11-03
