Alliance Memory AS4C64M32MD1A-5BIN 2Gb LPDDR SDRAM
Alliance Memory AS4C64M32MD1A-5BIN 2Gb LPDR SDRAM is a four-bank mobile DDR DRAM organized as 4 banks x 16M x 32. The AS4C64M32MD1A-5BIN SDRAM is designed for high performance and operates at low power. This SDRAM comes in a double-data-rate architecture that offers two data transfers per clock cycle. The AS4C64M32MD1A-5BIN SDRAM features a bidirectional data strobe (DQS) and differential clock inputs (CK and CK#). This SDRAM provides internal temperature-compensated self-refresh, edge-aligned data output, and center-aligned data input.Features
- Double-data-rate architecture with two data transfers per clock cycle
- Bidirectional data strobe (DQS)
- 4-bank operation
- Differential clock inputs (CK and CK#)
- MRS cycle with address key programs
- EMRS cycle with address key programs
- Internal temperature-compensated self-refresh
- All inputs except data and DM are sampled at the positive-going edge of the system clock (CK)
- Data I/O transactions on both edges of the data strobe and DM for masking
- Edge-aligned data output and center-aligned data input
- DM for write masking only
- Clock stop capability
- x32 8mm x 13mm 90-ball FPBGA
- -40°C to +85°C operating temperature range (industrial type)
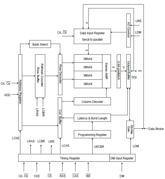
Block Diagram
State Diagram
Đã phát hành: 2020-02-25
| Đã cập nhật: 2024-03-18
