Altech UL (AC) & DL (DC) Circuit Breakers
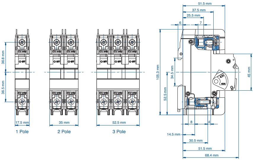
Altech UL (AC) and DL (DC) Circuit Breakers are available in both AC and DC models and offer 10kA short-circuit interrupting capacity. These thermal magnetic modules feature a 17.5mm width, a miniature size, and DIN-rail mounting. The series has a 0.3 to 63A current range and 6000 switching cycles of electrical life. Applications for Altech UL (AC) and DL (DC) Circuit Breakers include lighting, wiring protection, appliances, transformers, and telecommunication.Features
- UL 489 miniature molded-case circuit breakers
- AC and DC models
- DIN rail mounted
- Thermal magnetic
- Current limiting (UL tested)
- Line/load reversible
Applications
- Lighting
- Wiring protection
- Control circuits
- Business equipment
- Appliances
- Transformers
- Power supplies
- Heaters
- Motors
- Telecommunications
- Computer equipment
Specifications
- 240V, 480Y/277VAC, 50/60Hz
- 125VDC (1 pole), 250VDC (2 pole)
- 10kA short circuit interrupting capacity
- 25g at 11ms mechanical shock resistant
- IP20 rating
- 0.3 to 63A current range
- 17.5mm width
- -25°C to +55°C operating temperature range
Dimensions (mm)
Đã phát hành: 2019-09-03
| Đã cập nhật: 2023-05-31
