Altech UR Circuit Breakers
Altech UR Circuit Breakers are UL 1077-recognized supplementary protectors with B-, C-, and D-trip curves. These DIN-rail-mounted modules are available in 1-, 2-, and 3-pole variants as well as an add-on neutral pole option. Altech UR Circuit Breakers feature a 17.5mm width per pole and 10kA short circuit withstand capacity. Typical applications include sensitive electronics, power supplies, and appliance circuits.Features
- UL 1077 recognized
- 1-, 2-, and 3-pole variants, and add-on neutral pole option
- B-, C-, and D-trip curves
- DIN-rail mounted
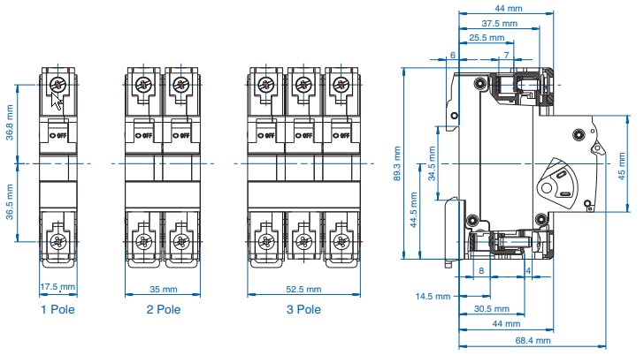
- 17.5mm width per pole
- Thermal magnetic
Applications
- B-trip circuit breakers (relatively long thermal trip delay but low magnetic trip point)
- Business equipment
- Wiring protection
- Lighting
- Appliances
- Control circuits
- C-trip circuit breakers (relatively long thermal trip delay and medium magnetic trip point)
- Low inrush motors
- Lighting
- Wiring protection
- Appliances
- Business equipment
- D-trip circuit breakers (relatively long thermal trip delay and very high magnetic trip point)
- Control transformers
- Power supplies
- Reactive loads
Specifications
- 0.5A to 60A current ratings
- Voltage ratings
- 277VAC for 1 pole
- 480Y/277VAC for 2-, 3-, and add-on neutral poles
- Short circuit withstand rating
- 0.5A to 10A (RC): 10kA with no back-up fuse
- 8A to 63A (RC): 10kA with UL-listed Class J back-up fuse and 5kA with no back-up fuse
- -25°C to +55°C ambient temperature range
- 2Nm (17.7lb in)/2.5Nm (22.2lb in) terminal torque
- 6000 switching cycles electrical life
- 10000 switching cycles mechanical life
- 25g at 11ms resistance to mechanical shocks
- IP20 rated according to IEC/EN 60529
Trip Curves
Dimensions
Đã phát hành: 2019-05-29
| Đã cập nhật: 2023-05-31
