Amphenol All Sensors AXCX Prime-Grade Millivolt Output Pressure Sensors
Amphenol All Sensors AXCX Prime-Grade Millivolt Output Pressure Sensors are based on proprietary technology to reduce all output offset or common mode errors. This series is the highest accuracy version of the millivolt output pressure sensors. The outputs of these devices are ratiometric to the supply voltage, and operation from any DC supply voltage up to 16V is acceptable. The sensors provide a calibrated millivolt output with excellent output offset characteristics. The silicon, micromachined, and stress concentration-enhanced structure provides a linear output to measure pressure. These calibrated and temperature-compensated sensors give an accurate and stable output over a wide temperature range. Amphenol All Sensors AXCX Prime-Grade Millivolt Output Pressure Sensors are intended for use with non-corrosive and non-ionic working fluids such as air and dry gases. Applications include medical instrumentation, environmental controls, and HVACs.Features
- 0 to 150psi pressure ranges
- Highest accuracy version
- Temperature-compensated
- Calibrated zero and span
Applications
- Medical instrumentation
- Environmental controls
- HVAC
Equivalent Circuit
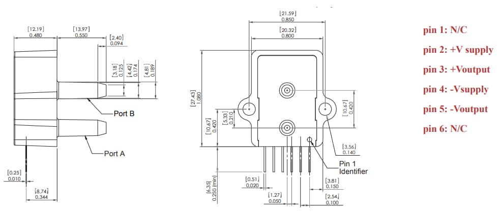
Physical Dimensions
Đã phát hành: 2019-07-08
| Đã cập nhật: 2023-05-01
