Analog Devices Inc. AD917x 16-Bit Digital-to-Analog Converters
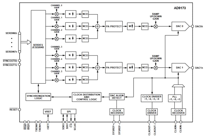
Analog Devices AD917x 16-Bit Digital-to-Analog Converters (DACs) are dual, high-performance converters that support DAC sample rates up to 12.6GSPS. The AD917x converters feature an 8-lane, 15Gbps JESD204B data input port and a high-performance, on-chip DAC clock multiplier. The devices also feature digital-signal processing capabilities targeted at single-band and multi-band direct to radio frequency (RF) wireless applications. Analog Devices AD917x DACs include three complex data input channels per RF DAC that are bypassable. Each data input channel includes a configurable gain stage, an interpolation filter, and a channel numerically controlled oscillator (NCO) for flexible, multiband frequency planning.Features
- Supports multi-band wireless applications
- Three bypassable, complex data input channels per RF DAC
- 1.54GSPS maximum complex input data rate per input channel
- One independent NCO per input channel
- Proprietary, low spurious, and distortion design
- 2-tone intermodulation distortion (IMD) = −83dBc at 1.8GHz, -7dBFS/tone RF output
- Spurious-free dynamic range (SFDR) <−80dBc at 1.8GHz, -7dBFS RF output
- Flexible 8-lane, 15.4Gbps JESD204B interface
- Supports single-band and multiband use cases
- Supports 12-bit high-density mode for increased data throughput
- Selectable interpolation filter for a complete set of input data rates
- 1×, 2×, 3×, 4×, 6×, and 8× configurable data channel interpolation
- 1×, 2×, 4×, 6×, 8×, and 12× configurable final interpolation
- Multiple chip synchronization
- Supports JESD204B Subclass 1
- Final 48-bit NCO that operates at the DAC rate to support frequency synthesis up to 6GHz
- Transmit enable function allows extra power saving and downstream circuitry protection
- High-performance, low noise PLL clock multiplier
- Supports 12.6GSPS DAC update rate
- Observation ADC clock driver with selectable divide ratios
- Low-power
- 2.55W at 12GSPS, dual-channel mode
- 10×10mm, 144-ball BGA_ED with metal enhanced thermal lid, 0.80mm pitch
Applications
- Wireless communications infrastructure
- Multi-band base station radios
- Microwave/E-band backhaul systems
- Instrumentation, automatic test equipment (ATE)
- Radars and jammers
Đã phát hành: 2018-03-26
| Đã cập nhật: 2023-01-25
