Analog Devices Inc. ADL8102-EVALZ Evaluation Board
Analog Devices ADL8102-EVALZ Evaluation Board is a 2-layer printed circuit board (PCB) designed with 10mil thick, Rogers 4350B, and copper clad. The ADL8102-EVALZ RFIN and RFOUT ports feature 2.9mm female coaxial connectors, and the corresponding RF traces have a 50Ω characteristic impedance.The ADI ADL8102-EVALZ has components ideal for use over the total operating temperature range of -40°C to +85°C.
Features
- 2-layer Rogers 4350B evaluation board
- End launch, 2.9mm RF connectors
- Through calibration path (depopulated)
Applications
- Telecommunications
- Satellite communications
- Military radar
- Weather radar
- Civil radar
- Electronic warfare
Required Equipment
- RF signal generator
- RF spectrum analyzer
- RF network analyzer
- 5V, 500mA power supply
Layout
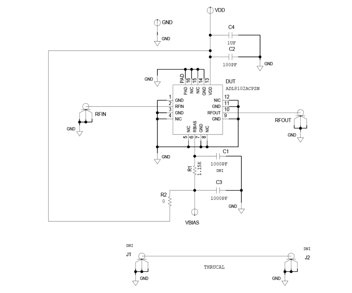
Schematic
Đã phát hành: 2023-12-18
| Đã cập nhật: 2024-01-30
