Analog Devices Inc. ADPD188BI Integrated Optical Module
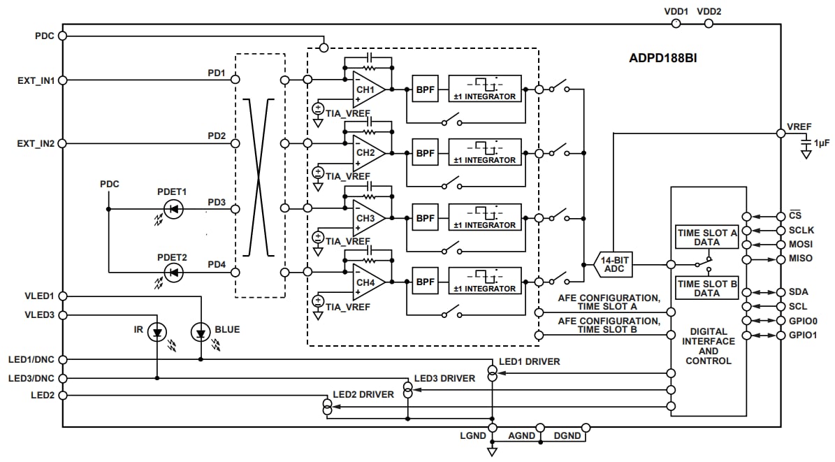
Analog Devices Inc. ADPD188BI Integrated Optical Module is a complete photometric system for smoke detection using optical dual wavelength technology. The module integrates a highly efficient photometric front end, two LEDs, and two photodiodes (PDs). Analog Devices ADPD188BI Integrated Optical Module is housed in a custom package to prevent light from going from the LED to the photodiode without entering the smoke detection chamber.The front end of the application-specific integrated circuit (ASIC) consists of a control block, a 14-bit analog-to-digital converter (ADC) with a 20-bit burst accumulator, and three flexible, independently configurable LED drivers. The control circuitry includes flexible LED signaling and synchronous detection. The analog front end (AFE) features best-in-class rejection of signal offset and corruption due to modulated interference commonly caused by ambient light. The data output and functional configuration occur over a 1.8V I2C interface or serial peripheral interface (SPI) port.
Features
- 3.8mm x 5.0mm x 0.9mm module with integrated optical components
- 1 blue LED, 1 IR LED, and 2 photodiodes
- 2 external inputs for other sensors (for example, CO and temperature)
- 20-bit burst accumulator enabling 20 bits per sample period
- Three 370mA LED drivers
- On-board sample-to-sample accumulator enabling up to 27 bits per data read
- Optimized SNR for signal-limited cases
- I2C or SPI communications
- Designed for smoke detection applications
Videos
Block Diagram
Technical Articles
- Reducing the False Alarm Rate - How Smoke Alarms Can Pass the Hamburger Nuisance Alarm Test
The newly introduced hamburger nuisance test is very hard to pass because the smoke particles from a burnt hamburger patty do not differ that much from normal smoke. Discover why the integrated optical module for smoke detection is a turning point.
EVAL-ADPD188BI-ALGO - UL/EN Algorithms Software
EVAL-ADPD188BI-DATA - UL/EN Data Set
Đã phát hành: 2018-08-15
| Đã cập nhật: 2024-08-22
