Analog Devices Inc. ADRF5547-EVALZ Receiver Front End Evaluation Board
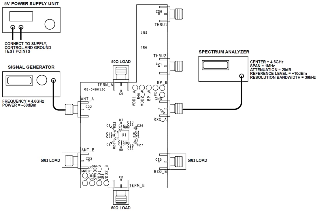
Analog Devices Inc. ADRF5547-EVALZ Receiver Front-End Evaluation Board is designed for the evaluation of the ADRF5547 dual-channel integrated radio frequency (RF) front-end. The ADRF5547 is a multichip device that consists of a high-power switch and a dual-stage, low-noise amplifier on each channel. The ADRF5547 is ideally suited for time-division duplexing (TDD) wireless infrastructure applications. Analog Devices Inc. ADRF5547-EVALZ Receiver Front-End Evaluation Board is easy to connect to test equipment and evaluate the ADRF5547.Features
- Full-featured evaluation board for ADRF5547 front-end
- Easy connection to test equipment
- Through line for calibration
- Ideal for TDD wireless infrastructure applications
Required Equipment
- DC power supply
- Signal generator
- Spectrum analyzer Network analyzer
Test Setup
Đã phát hành: 2019-10-16
| Đã cập nhật: 2024-03-04
