Analog Devices Inc. USB 3.0 Quad-Channel IEPE Vibration Instrument
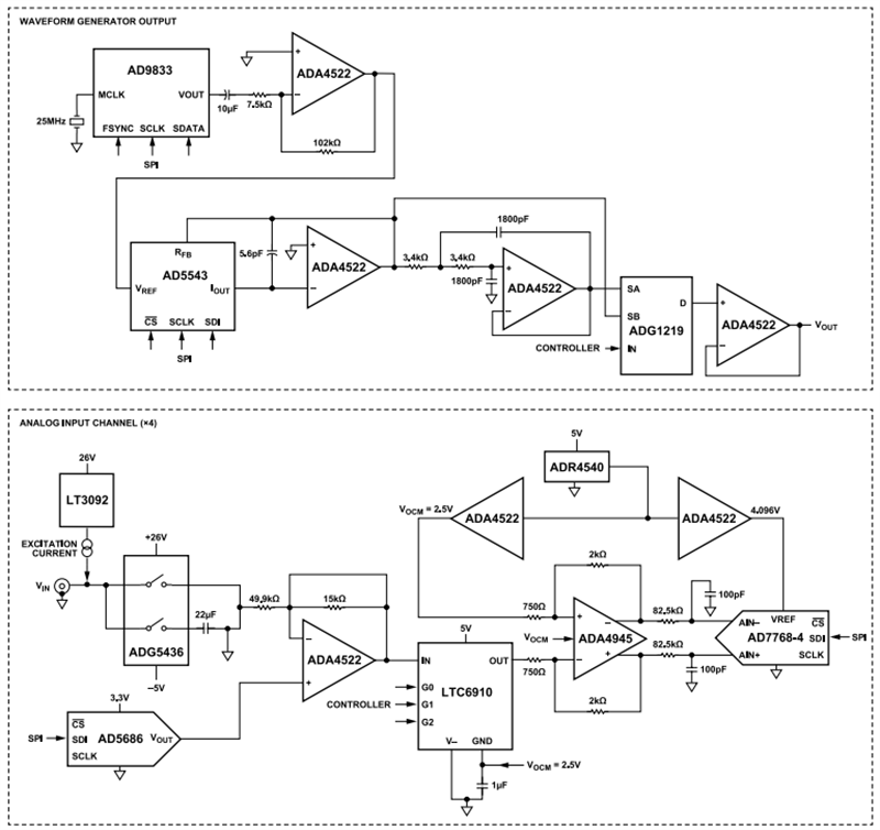
Analog Devices Inc. EVAL-CN0582-USBZ USB 3.0 Quad-Channel IEPE Vibration Instrument System Board reads data from analog (IEPE). The analog IEPE inputs can contain current source switches for sensors needing external power and an individual channel offset voltage setting. Aside from sensor data reading, the board can provide a variable amplitude and frequency sinusoidal signal to an external vibration shaker as a stimulus. This ability makes the board capable of providing a signal to an external shaker and measuring the data from a mounted sensor, forming a closed feedback loop.Features
- For the evaluation of CN0582
- 4-channel simultaneous data acquisition
- On-board IEPE excitation
- Signal Generator
- Single-tone or linear sweep
- Electronic loopback testing
- Shaker table excitation
- CN0582 Evaluation Software
- System configuration
- Graphical display
- File export (data acquisition, vibration test)
- IEPE input channel offsetting
Specifications
- Analog input
- IEPE
- 0.1mV to 10V full scale
- 13VDC maximum bias
- 4mA typical current source
- 4mA to 20mA (CH3)
- 249Ω resistance
- 0.25W power
- -87dB typical THD + N (-84dB maximum), 3.3Vp-p at 1kHz
- 99dB typical SNR, 10Vp-p at 20Hz to 20kHz
- 1% error accuracy (at >100mV)
- IEPE
- Power requirements
- 4.5V to 6V input range, 5V typical
- 500mA to 600mA input current range
Videos
System Block Diagram
Additional Resources
Đã phát hành: 2022-12-05
| Đã cập nhật: 2024-01-04
