Analog Devices Inc. EVAL-KW4501Z Integrated Noise KWIK Demo Board

Analog Devices Inc. EVAL-KW4501Z Integrated Noise KWIK Demo Board evaluates and differentiates the integrated noise of a 2-channel operational amplifier. The Analog Devices EVAL-KW4501Z is a companion board to the Integrated Noise KWIK Lecture and Lab Training Module. The board is part of the KWIK Demo Board family, a series of instructional and demonstrative evaluation boards that can be directly plugged into the portable ADALM2000 USB-powered, software-defined test and measurement instrument.

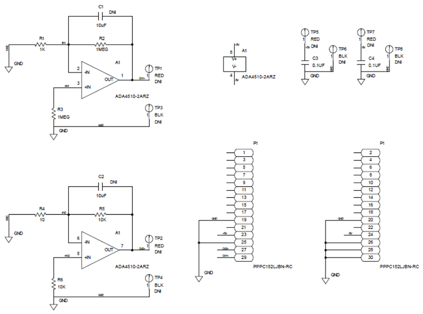
The ADA4510-2, the EVAL-KW4501Z’s featured IC, is a dual-channel, high-precision, low-offset voltage, low-noise, rail-to-rail input, and output operational amplifier. The op amp has a wide 6V to 40V supply voltage operation range and can be powered up by the ADALM2000’s onboard ±5V voltage supplies. The EVAL-KW4501Z uses the 8-pin SOIC version of the ADA4510-2 and accommodates other ICs with the same footprint and pin configurations.

Features

  • Allows for quick measurement of operational amplifier’s integrated noise
  • Accommodates other 8-lead SOIC, dual-channel operational amplifiers with similar pin configurations as DUT
  • Plug-and-play feature facilitates attachment onto the ADALM2000 to run quick tests and measurements in Scopy (companion software of ADALM2000)

Applications

  • Noise measurement and analysis
  • Audio systems
  • Wireless communication systems
  • Medical instrumentation
  • Signal processing
  • Power supply and voltage regulation systems
  • Semiconductor testing and development
  • Consumer electronics
  • High-precision industrial equipment

Required Equipment

  • ADALM2000 Active-Learning module
  • USB-A to Micro-USB cable
  • Computer

Overview

Mechanical Drawing - Analog Devices Inc. EVAL-KW4501Z Integrated Noise KWIK Demo Board

Circuit Configuration of Each Channel

Schematic - Analog Devices Inc. EVAL-KW4501Z Integrated Noise KWIK Demo Board

Schematic

Schematic - Analog Devices Inc. EVAL-KW4501Z Integrated Noise KWIK Demo Board
Đã phát hành: 2025-02-20 | Đã cập nhật: 2025-02-25