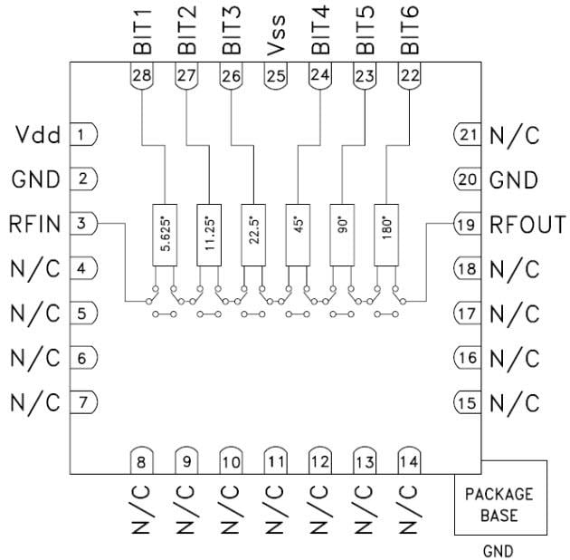
Analog Devices Inc. HMC647ALP6E 6-bit Digital Phase Shifters
Analog Devices HMC647ALP6E 6-bit Digital Phase Shifters offer 360° of phase coverage and 5.625° LSB. Rated from 2.5GHz to 3.1GHz, these shifters feature very low 1.5° RMS phase error and extremely low ±0.4dB insertion loss variation across all phase states. The positive 0/+5V logic controls this high accuracy phase shifter. Analog Devices HMC647ALP6E is internally matched to 50Ω with no external components.Features
- Low RMS phase error 1.5°
- Low insertion loss 4dB
- High linearity +50dBm
- Positive control logic
- 360° coverage, LSB = 5.625°
- 28 lead QFN leadless SMT package 36mm²
Applications
- EW receivers
- Weather radars
- Military radars
- Satellite communications
- Beamforming modules
- Phase cancellation
Functional Diagram
Related Accessory
Đã phát hành: 2016-07-28
| Đã cập nhật: 2022-03-11
