Analog Devices Inc. HMC8362/HMC8364 Low Noise Quadband VCOs

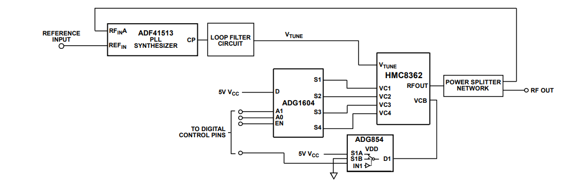
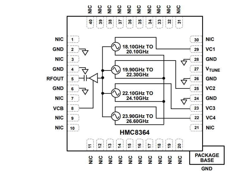
Analog Devices Inc. HMC8362 and HMC8364 Low Noise Quadband Voltage Controlled Oscillators (VCOs) are designed to offer wideband capabilities without compromising phase noise performance. The HMC8362 and HMC8364 VCOs integrate four independent, narrow-band VCOs with overlapping frequency bands, operating at a fundamental frequency range of 11.90GHz to 18.30GHz (HMC8362) or 18.10GHz to 26.60GHz (HMC8364). The consistent tuning sensitivity across all frequency bands simplifies the synthesizer loop filter design.

The tuning port is common to all VCO cores for a simpler design of the phase-locked loop (PLL) feedback path. The HMC8364 also offers a low typical current consumption of 99mA for power-sensitive applications. In comparison, the HMC8362 provides a low typical current consumption of 72mA for power-sensitive applications.

The ADI HMC8362/HMC8364 VCOs integrate resonators, negative resistance devices, and varactor diodes. The oscillator's monolithic structure enables very low phase noise and optimal temperature stability and is immune to vibration and process variation.

The HMC836x VCOs are packaged in a single, 6mm × 6mm, surface-mount lead frame, chip-scale package (LFCSP), and require no external matching components.

Features

  • Set of four narrow-band VCOs with consistent sensitivity vs. frequency
  • RF and tuning ports common to all four VCOs
  • RF output operates from fundamental oscillators with no subharmonic oscillations
  • Up to 4dBm RF output power
  • Power mute capability
  • No external resonator required
  • 40-lead, 6mm × 6mm LFCSP package

Applications

  • Electronic test and measurement
  • Industrial and medical instrumentation
  • Point-to-point and multipoint radios
  • Aerospace and defense
  • Wireless communication infrastructures

HMC8362 Block Diagram

Block Diagram - Analog Devices Inc. HMC8362/HMC8364 Low Noise Quadband VCOs

HMC8364 Block Diagram

Block Diagram - Analog Devices Inc. HMC8362/HMC8364 Low Noise Quadband VCOs

Typical Application Diagram

Application Circuit Diagram - Analog Devices Inc. HMC8362/HMC8364 Low Noise Quadband VCOs
Đã phát hành: 2020-11-04 | Đã cập nhật: 2024-12-03