Analog Devices Inc. LTC2500-32 32-Bit Oversampling ADCs

Analog Devices LTC2500-32 32-Bit Oversampling ADCs offer low noise, low power, and high performance with an integrated configurable digital filter. The LTC2500-32 ADCs feature a fully differential input range up to ±VREF, with VREF ranging from 2.5V to 5.1V, operating from a single supply. The device supports a wide common mode range from 0V to VREF simplifying analog signal conditioning requirements.

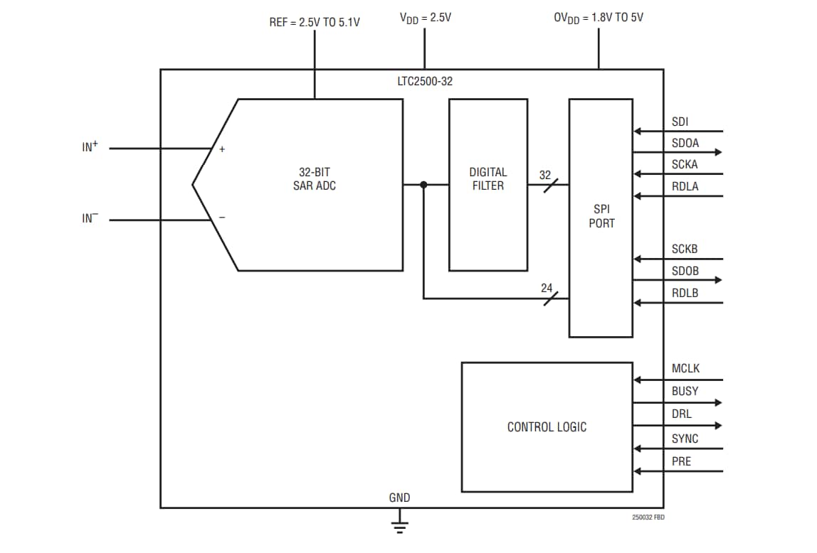
Two output codes are provided simultaneously on the LTC2500-32, a 32-bit digitally filtered high precision low noise code, and a 32-bit no latency composite code. The configurable digital filter reduces measurement noise by lowpass filtering and downsampling the stream of data from the SAR ADC core, resulting in the 32-bit filtered output code. The 32-bit composite code consists of an overrange detection bit, a 24-bit code specifying the differential input voltage and a 7-bit code rendering the common mode input voltage. The 32-bit composite code is available in each conversion cycle, eliminating a cycle of latency.

Using the SPI-compatible interface, the digital filter is highly configurable and features many distinct filter types that are ideal for a wide range of applications. The digital lowpass filter relaxes the requirements for analog anti-aliasing. Utilizing the SYNC pin, multiple LTC2500-32 devices can be easily synchronized.

Features

  • ±0.5ppm INL (Typ)
  • Guaranteed 32-Bit, no missing codes
  • Configurable digital filter with synchronization
    • Relaxed anti-aliasing filter requirements
  • Dual output 32-Bit SAR ADC
    • 32-Bit digitally filtered low noise output
    • 24-Bit differential and 7-Bit common mode 1Msps output with over range detection
  • Wide input common mode range
  • 104dB SNR (Typ) at 1Msps
  • 148dB Dynamic range (Typ) at 61sps
  • Guaranteed operation to 85°C
  • 1.8V to 5V SPI-compatible serial I/O
  • Low power of 24mW at 1Msps
  • 24-Lead 7mm × 4mm DFN Packages

Applications

  • Seismology
  • Energy exploration
  • Automatic test equipment
  • High accuracy instrumentation

Additional Resources

Precision data acquisition for Seismology and Energy Exploration

This article discusses how to design a low noise and low power DAQ solution for seismology and energy exploration.

Learn More

Block Diagram

Block Diagram - Analog Devices Inc. LTC2500-32 32-Bit Oversampling ADCs

Typical Application

Application Circuit Diagram - Analog Devices Inc. LTC2500-32 32-Bit Oversampling ADCs
Đã phát hành: 2019-03-21 | Đã cập nhật: 2023-08-21