Analog Devices Inc. LTC3372 Buck Controller Plus Buck Regulators ICs
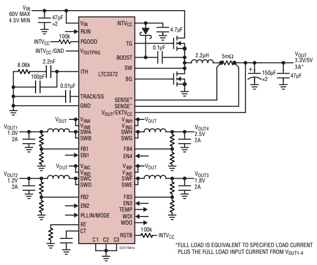
Analog Devices LTC3372 Buck Controller Plus Buck Regulators ICs are highly flexible multioutput power supply ICs. These devices include a high-performance, high-voltage step-down DC/DC switching regulator controller that drives an all N-channel synchronous power FET stage from a 4.5V to 60V input. The LTC3372 ICs also include four low-voltage synchronous buck regulators that can be programmed by the C1-C3 pins to share eight 1A integrated power stages. The CT pin programs timing parameters of the watchdog timer and LV outputs’ Power-On Reset (RST). Reliable power-up sequencing is facilitated by precision enable thresholds. The LTC3372 ICs are primarily targeted at automotive applications that require multiple voltage rails.Features
- Programmable or synchronizable to external clock
- Programmable watchdog and power-on reset delay
- 8 flexible configurations
- IC die temperature monitor output
- Thermally enhanced 48-pin 7mm × 7mm QFN package
- Extends battery run-time
Specifications
- HV Buck controller:
- 4.5V to 60V VIN
- 5V/3.3V VOUT
- LV Buck regulators:
- 2.25V to 5.5V INA-H
- VOUT1-4 ≥ 0.8V
- 8×1A LV buck integrated power stages, configurable as 2, 3, or 4 output channels
- 8 Unique output configurations (1A to 4A per channel)
- Low total no-load input supply current (IQ):
- 15µA HV controller only (5VOUT)
- 23μA HV controller only (3.3VOUT)
- 33μA HV controller (3.3VOUT) plus one LV regulator
- 9μA Per additional LV regulator channel
- 1MHz to 3MHz operation (HV runs at 1/6 frequency)
Additional Resources
Application Circuit Diagram
Performance Graph
Đã phát hành: 2019-01-14
| Đã cập nhật: 2023-07-27
