Analog Devices Inc. LTC7803 Synchronous Step-Down Controllers
Analog Devices Inc. LTC7803 Synchronous Step-Down Controllers are high-performance, 100% duty cycle capable, synchronous step-down DC/DC switching regulator controllers that drive an all N-channel power MOSFET stage. Synchronous rectification increases efficiency, reduces power losses, and eases thermal requirements. A constant frequency current mode architecture allows a phase-lockable switching frequency of up to 3MHz. Analog Devices LTC7803 Synchronous Step-Down Controllers operate from a wide 4.5V to 40V input supply range.The low no-load quiescent current extends operating runtime in battery-powered systems. OPTI-LOOP compensation allows the transient response to be optimized over a wide range of output capacitance and ESR values. The MODE pin selects among Burst Mode operation, pulse-skipping mode, or continuous inductor current mode at light loads. The LTC7803 additionally features spread-spectrum operation, which significantly reduces the peak radiated and conducted noise on both the input and output supplies, making it easier to comply with electromagnetic interference (EMI) standards.
Features
- 12µA (14V VIN to 3.3V VOUT) low operating IQ
- 4.5V to 40V wide input voltage range
- Output voltage up to 40V
- Spread spectrum operation
- RSENSE or DCR current sensing
- Pass-Thru™/100% duty cycle capable
- 100% duty cycle operation
- 100kHz to 3MHz programmable fixed frequency range
- 100kHz to 3MHz phase-lockable frequency range
- Selectable continuous, pulse-skipping, or low ripple Burst Mode® operation at light loads
- 1.2μA low shutdown IQ
- Thermally enhanced 16-pin 3mm × 3mm QFN and MSOP packages
- AEC-Q100 qualification in progress
Applications
- Automotive and transportation
- Industrial
- Military/avionics
- Telecommunications
Videos
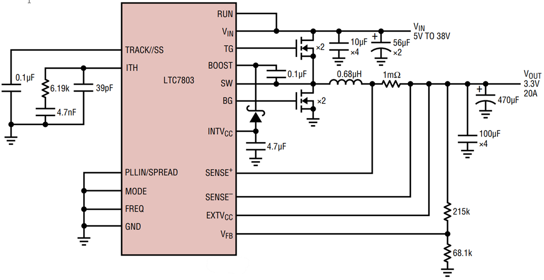
Typical Application
Đã phát hành: 2020-06-05
| Đã cập nhật: 2024-10-07
