Analog Devices Inc. LTM8060 Silent Switcher® μModule® Regulator
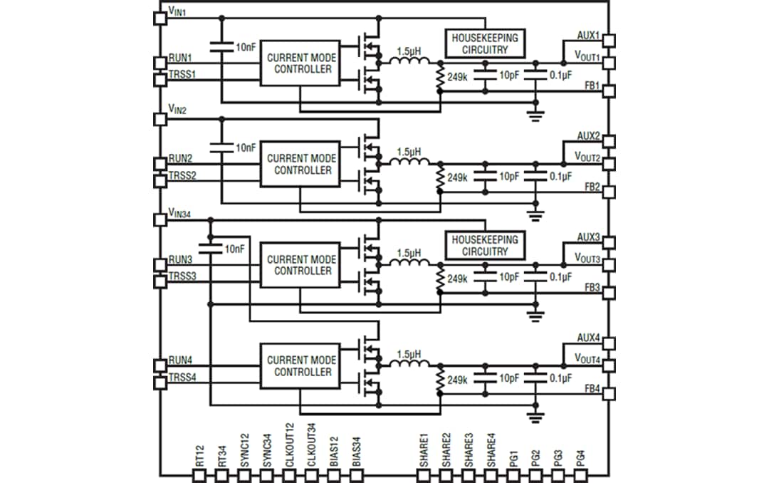
Analog Devices Inc. LTM8060 Silent Switcher® μModule® Regulator is a quad standalone non-isolated step-down switching DC-DC power supply that can deliver a peak current of up to 6A per channel. The Silent Switcher architecture minimizes EMI while delivering high efficiency at frequencies up to 3MHz. Included in the LTM8060 μModule package are the current mode controllers, power-switching elements, power inductors, and support components. Operating over a wide input voltage range, the LTM8060 supports output voltages from 0.8V to 8.0V and a switching frequency range of 200kHz to 3MHz, each set by a single resistor. Only the bulk input and output filter capacitors are needed to finish the design. Analog Devices Inc. LTM8060 is packaged in a compact (11.9mm x 16mm x 3.32mm) over-molded ball-grid array (BGA) package suitable for automated assembly.Features
- Four complete step-down switching power supplies
- Low noise Silent Switcher architecture
- CISPR22 Class B compliant
- CISPR25 Class 5 compliant
- Wide 3.0V to 40.0V input voltage range
- Wide 0.8V to 8.0V output voltage range
- 3A continuous output current per channel at 12.0VIN, 3.3VOUT, TA = 80°C
- 4A continuous output current per channel at 12VIN, 3.3VOUT, fSW = 2MHz, TA = 60°C
- Multiphase or Multi-μModule parallelable for increased output current
- Low thermal resistance
- θJA = 9°C/W
- θJCtop = 4.2°C/W
- θJCbot = 1.6°C/W
- Selectable 200kHz to 3MHz switching frequency
- -40°C to +125°C operating temperature range
- Compact 11.9mm x 16mm x 3.32mm BGA165 package
Applications
- Automated test equipment
- Industrial supplies
- Medical equipment
Videos
Typical Application Circuit
Block Diagram
Pin Configuration
Đã phát hành: 2021-05-05
| Đã cập nhật: 2024-12-03
