Analog Devices / Maxim Integrated MAX20331EVKIT Evaluation Kit
Analog Devices MAX20331EVKIT Evaluation Kit is a fully assembled and tested circuit board demonstrating the MAX20331 high-voltage Over-Voltage Protector (OVP) on an audio line device. This evaluation kit comes with the MAX20331EWL+ installed and can be used to evaluate the MAX20331A. The Analog Devices MAX20331EVKIT evaluation kit demonstrates the MAX20331 audio line overvoltage protector in a 9-bump Wafer-Level Package (WLP).Features
- 3.5mm jack audio line protection
- Proven PCB layout
- Fully assembled and tested
- Includes MAX20331EWL+
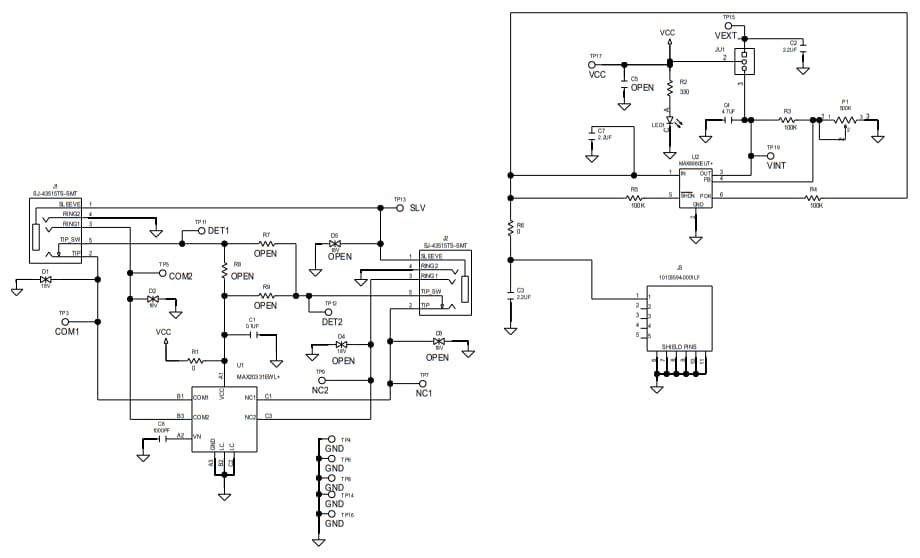
Schematic Diagram
Đã phát hành: 2018-10-08
| Đã cập nhật: 2023-04-24
