Analog Devices / Maxim Integrated MAX17509 Step-Down DC-DC Converter
Analog Devices MAX17509 Step-Down DC-DC Converter is a high-efficiency, synchronous converter with resistor programmability. The Analog Devices MAX17509 can be configurable to two 3A independent or dual-phase 6A single outputs. The converter has output voltage ranges of 0.904V to 3.782V and 4.756V to 5.048V with 20mV resolution. This device has the flexibility of multiple programmable options by connecting resistors to the configuration pins.The Analog Devices MAX17509 Step-Down DC-DC Converter is available in a 5mm x 5mm Thin Quad Flat No-Lead (TQFN) package with an exposed pad for enhanced thermal performance. The device operates over the -40°C to +125°C temperature range, with thermal sensing and shutdown provided for overtemperature (OT) protection.
Features
- Reduces the number of DC-DC regulators in inventory
- Output voltage (0.904V to 3.782V and 4.756V to 5.048V with 20mV resolution)
- Configurable two independent outputs (3A/3A) or a dual-phase single output (6A)
- Mitigate noise concerns and EMI
- Adjustable switching frequency with selectable 0/180° phase shift
- External frequency synchronization
- Passes EN55022 (CISPR22) Class-B radiated and conducted EMI standard
- Adjustable switching slew rate
- Reliable operation
- Robust fault protections (VIN_UVLO, UV/OV, UC/OC, OT)
- Power good
- Ease of system design
- All ceramic capacitors solution
- Auto-configured internal compensation
- Selectable hiccup or brick wall mode
- Adjustable soft-start rise/fall time with soft stop modes and pre-bias startup
- -40°C to +125°C operating temperature range
- 5.0mm x 5.0mm TQFN-EP-32 package
- Pb-free and RoHS compliant
Applications
- FPGA and DSP core power
- Industrial control equipment
- Multiple point-of-load (POL) power supplies
- Base station point-of-load regulator
Resources
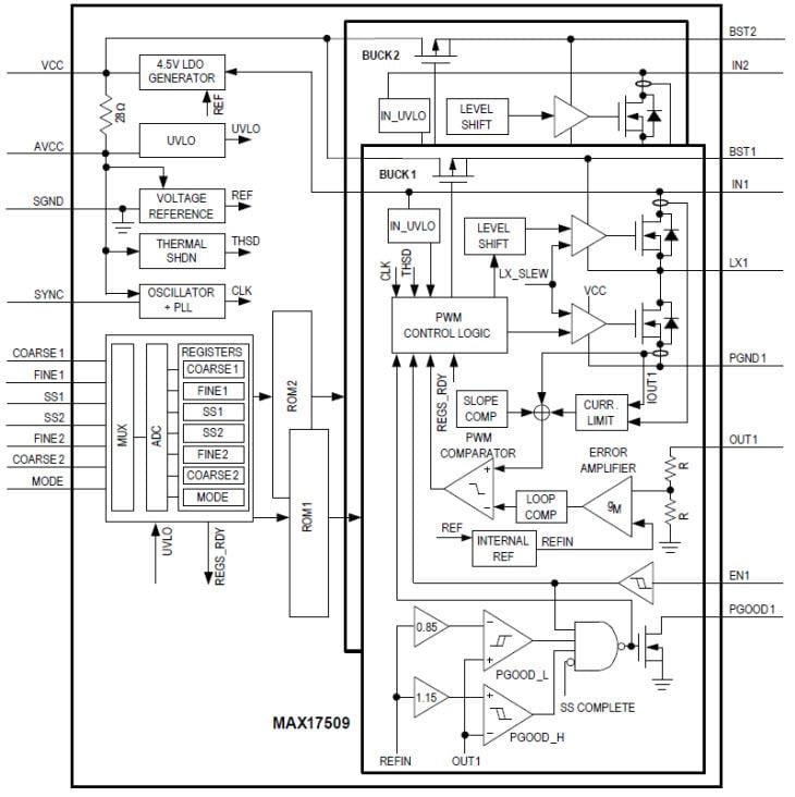
Block Diagram
Đã phát hành: 2016-03-04
| Đã cập nhật: 2023-04-12
