Analog Devices Inc. MAX17853 Power Management IC

Analog Devices Inc. MAX17853 Power Management IC (PMIC) is a single-chip, ASIL-D-compliant battery monitoring solution for mid-to-large cell count configuration battery packs in electric and hybrid vehicles. The MAX17853 uses a flexible architecture called Flexpack that allows designers to change module configurations, quickly responding to market demands. As the MAX17853 can monitor both high- and low-voltage battery modules, designers can create a system that meets the highest level of safety for voltage, temperature, and communication. The MAX17853 also integrates a battery cell balancing system, which automatically balances each cell by time and voltage to minimize the risk of overcharging.

The MAX17853 can measure 14x cell voltages and combine six temperatures or system voltage measurements with fully redundant measurement engines in 263µs or perform all inputs solely with the ADC measurement engine in 156µs. There are 14x internal balancing switches rated for >300mA for cell-balancing current, each supporting extensive built-in diagnostics. Up to 32x devices can be daisy-chained to manage 448x cells and monitor 192x temperatures.

Cell and bus-bar voltages ranging from -2.5V to +5V are measured differentially over a 65V common-mode range, with a typical accuracy of 1mV (3.6V cell, +25°C). If oversampling is enabled, up to 128x measurements per channel can be averaged internally with 14-bit resolution and combined with digital post-processing IIR (Infinite Impulse Response) filtering for increased noise immunity. The system can shut itself down in the event of a thermal overload by measuring its die temperature.

The MAX17853 uses an Analog Devices battery-management UART or SPI protocol for robust communications. It is optimized to support a reduced feature set of internal diagnostics and rapid-alert communication through both embedded communication and hardware-alert interfaces, supporting ASIL-D (Automotive Safety Integrity Level D) and FMEA (Failure Modes and Effects Analysis) requirements.

The MAX17853 is offered in a 10mm2 LQFP (Low Profile Quad Flat Pack) package and features a wide operating temperature range of -40°C to +125°C.

Features

  • 65V operating voltage
  • Ultra-low-power operation
    • 2mA standby mode
    • 2µA shutdown mode
  • Redundant ADC and comparator (COMP) acquisitions
  • Simultaneous cell and bus-bar voltage acquisitions
  • 14x cell-voltage measurement channels
    • 1mV accuracy (3.6V, +25°C)
    • 2mV accuracy (+5°C to +40°C)
    • 4.5mV accuracy (-40°C to +125°C)
  • 14x cell-balancing switches
    • >300mA software-programmable balancing current
    • Optimized driving and parking balancing modes
    • Automated balancing with individual cell timers
    • Automated balancing by cell voltage
    • Emergency discharge mode
  • 6x configurable auxiliary inputs for temperature, voltage, or GPIO
  • Integrated die-temperature measurement
  • Automatic thermal protection
  • Individually configurable safety alert
    • Overvoltage, under temperature faults
    • Undervoltage, overtemperature faults
    • 1x cell-mismatch alert
  • Support ASIL-D requirements for cell voltage, temperature, and communication
  • Selectable UART, dual UART, or SPI interface
  • Battery-management UART protocol
    • Daisy-chain up to 32x devices
    • Capacitive communication-port isolation
    • Up to 2Mbps baud rate (auto-detect)
    • 1.5µs propagation delay (per device)
    • Packet-Error Checking (PEC)
  • Configurable hardware-alert interfaces
  • Factory-trimmed oscillator, no external crystals required
  • 32-bit unique device ID
  • LQFP-64 package type
  • 10mm x 10mm package dimensions

Applications

  • Electric Vehicles (EVs)
  • Hybrid Electric Vehicles (HEVs)
  • Electric bikes
  • Battery-Backup Systems (UPS)
  • Battery-powered tools
  • High-voltage battery stacks
  • Super-cap systems

Videos

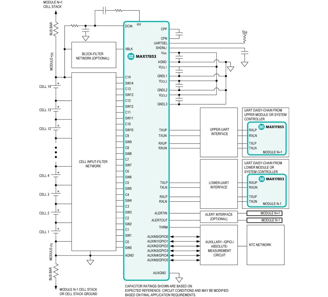
Simplified Application Circuit

Application Circuit Diagram - Analog Devices Inc. MAX17853 Power Management IC
Đã phát hành: 2020-03-09 | Đã cập nhật: 2024-04-30