Analog Devices Inc. MAX20028 Power Management Integrated Circuit

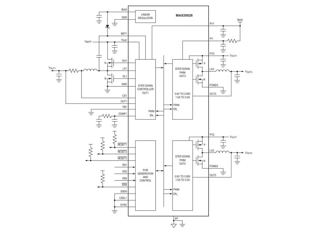
Analog Devices MAX20028 Power Management Integrated Circuit (PMIC) is a 2.1MHz, multichannel, DC-DC converter designed for automotive applications. The MAX20028 integrates one high-voltage step-down controller (OUT1), designed to run directly from a car battery, and two low-voltage step-down converters (OUT2/OUT3), cascaded from OUT1 into a small footprint. The MAX20028 under no-load conditions consumes only 30µA of quiescent current, making it ideal for automotive applications.

The ADI MAX20028 PMIC controller (OUT1) operates from a voltage of up to 36V continuous and is protected from load-dump transients up to 42V. The device offers a pin-selectable frequency option of either 2.1MHz or a factory-set frequency for 1.05MHz, 525kHz, 420kHz, or 350kHz. The low-voltage, synchronous step-down DC-DC converters run directly from OUT1 and can supply output currents up to 3A. The MAX20028 offers a spread-spectrum enable input (SSEN) to provide quick improvement in electromagnetic interference when needed.

Protection features include overtemperature shutdown and overcurrent limiting. The MAX20028 is specified for operation over the -40°C to +125°C automotive temperature range and is available in a 32-pin (5mm x 5mm x 0.75mm) side-wettable TQFN-EP package.

Features

  • High-efficiency voltage DC-DC controller saves power
    • 3.5V to 36V operating supply voltage
    • Pin selectable, fixed, or resistor-divider adjustable output voltage
    • 350kHz to 2.1MHz operation
    • 30μA quiescent current with DC-DC controller enabled
  • Dual 2.1MHz DC-DC converters with integrated FETs save space
    • OUT2 and OUT3 are cascaded from OUT1, improving efficiency
    • 3A output current
    • 0.8V to 3.95V output voltage
    • 25% lower COUT2 and COUT3 compared to the MAX16993
    • Fixed or resistor-divider-adjustable output voltage
    • 180° out-of-phase operation
  • High accuracy to meet ASIL specification
    • ±1% FB accuracy, ±2% output-voltage accuracy, and ±0.5% OV/UV accuracy
    • Excellent load-transient performance
  • Robust for the automotive environment
    • Current-mode architecture with forced-PWM and skip modes of operations
    • Frequency synchronization input/output reduces system noise
    • Individual enable inputs and RESET1 outputs
    • Overtemperature and short-circuit protection
    • AECQ-100 qualified

Applications

  • Automotive
  • Industrial
  • Advanced driver-assistance systems (ADAS)

Simplified Schematic

Schematic - Analog Devices Inc. MAX20028 Power Management Integrated Circuit

Typical Operating Circuit

Application Circuit Diagram - Analog Devices Inc. MAX20028 Power Management Integrated Circuit
Đã phát hành: 2020-06-05 | Đã cập nhật: 2024-05-29