Analog Devices / Maxim Integrated MAX20446C Automotive 6-Channel Backlight Driver
Analog Devices Inc. MAX20446C Automotive 6-Channel Backlight Driver features a boost controller for automotive displays and integrated current outputs that can sink up to 130mA LED current each. ADI MAX20446C accepts a wide 4.5V to 36V input voltage range and withstands automotive load-dump events. The internal current-mode switching DC-DC controller supports boost or SEPIC topologies, and operates in the 400kHz to 2.2MHz frequency range. Integrated spread spectrum helps reduce EMI. An adaptive output-voltage control scheme minimizes power dissipation in the LED current-sink paths.Features
- Wide voltage-range operation
- Operates down to 4V supply after startup
- Survives load dump up to 52V
- High integration
- A complete 6-channel solution including boost controller
- All settings performed with external components, no need for microcontroller intervention
- Robust and low EMI
- Spread-spectrum oscillator
- Phase-shifting
- 400kHz to 2.2MHz switching-frequency range
- Versatile dimming scheme allows hybrid or PWM-only dimming
- Dimming ratio > 10000:1 using hybrid dimming
- 10000:1 dimming ratio at 200hz using PWM dimming
- Complete fault protection
- LED open/short detection and protection
- Boost output undervoltage and overvoltage
- Thermal shutdown
- Compact (4mm x 4mm) 24-pin TQFN package
Applications
- Infotainment displays
- Central information displays
- Instrument clusters
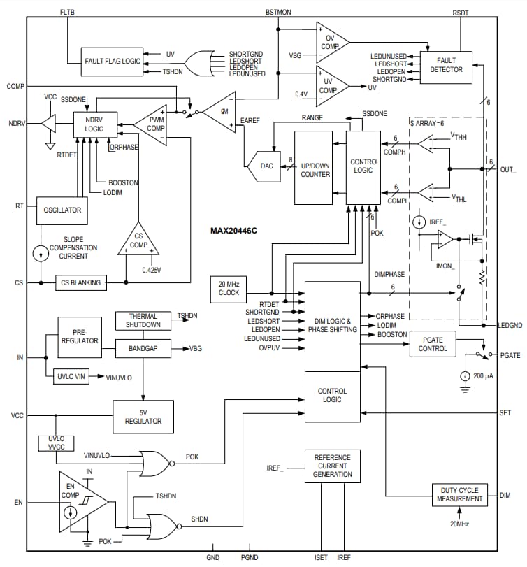
Block Diagram
Đã phát hành: 2021-04-13
| Đã cập nhật: 2023-04-13
