Analog Devices Inc. MAX20463EVKIT Evaluation Kit for the MAX20463
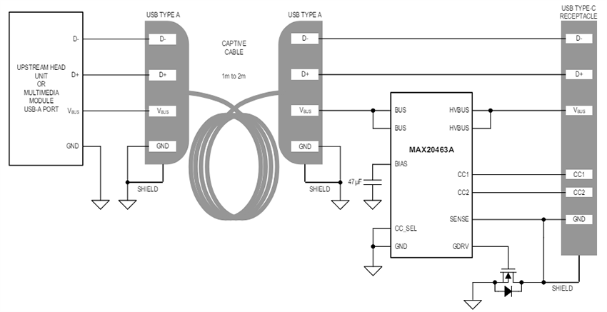
Analog Devices MAX20463EVKIT Evaluation Kit for the MAX20463 is used to demonstrate the MAX20463 USB Type-C™ solution for automotive applications. The kit is a one-chip solution to convert an existing downstream-facing port from supporting the USB-A connector to a USB Type-C connector. The device features an integrated USB Type-C interface to control the new configuration channel (CC) pins found in the USB Type-C connector.Features
- USB-C 3.0A, 1.5A configurable charge detection mode
- High-side USB power-protection switch
- Proven PCB layout
- Fully assembled and tested
Applications
- Automotive downstream USB modules
- Automotive USB captive-cable housings
Block Diagram
Đã phát hành: 2020-06-08
| Đã cập nhật: 2024-05-31
