Analog Devices / Maxim Integrated MAX22203 Motor Driver

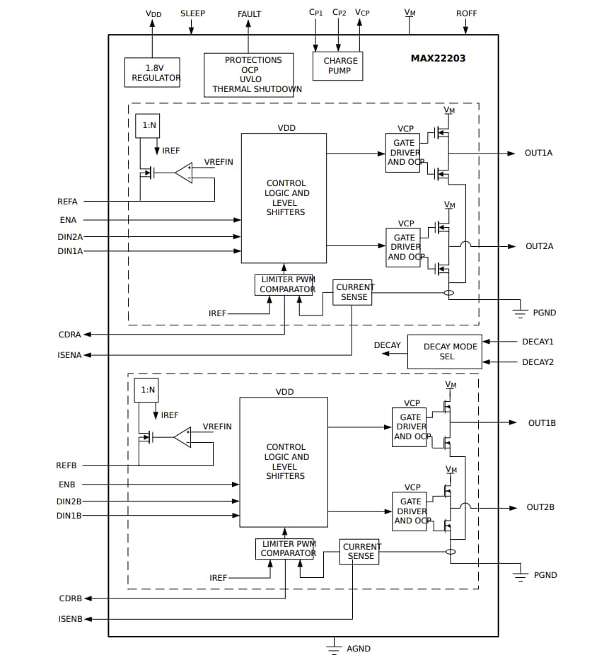
Analog Devices MAX22203 Motor Driver is a 65V, 3.8A dual brushed or single stepper motor driver with integrated current sense. The MAX22203 offers two H-bridges with a 65V maximum operating voltage. Each H-Bridge can be controlled individually and has a very low typical RON (high-side + low-side) of 0.3Ω, resulting in high driving efficiency and low heat generation.

The Analog Devices MAX22203 Motor Driver bridge output current is sensed by a non-dissipative Integrated Current Sensing (ICS), eliminating the external power resistors usually required, and compared with a configurable threshold current (ITRIP). The ITRIP threshold can be set independently for the two full bridges by connecting the external resistors to pins REFA and REFB.

The MAX22203 offers many protection features, including Overcurrent Protection (OCP), Thermal Shutdown (TSD), and Undervoltage Lockout (UVLO). An open-drain active-low nFAULT pin is activated every time a fault condition is detected. During Thermal Shutdown and Undervoltage Lockout, the driver is tristated until normal operations are restored. The MAX22203 is available in a small TQFN38 5mm x 7mm package.

Features

  • Two H-bridges with 65V maximum operating voltage
    • 300mΩ Typical (TA = 25°C) total RON (high-side + low-side)
  • Current ratings per H-bridge (typical at 25°C):
    • IMAX = 3.8A (Impulsive current for driving capacitive loads)
    • ITRIP_MAX = 3A (Maximum current setting for internal current drive regulation)
    • IRMS = 2ARMS
  • Integrated Current Drive Regulation (CDR)
    • Internal Current Sensing (ICS) eliminates external bulky resistors and improves efficiency
    • Current drive regulation monitor output pins (CDRA and CDRB)
    • Multiple decay modes (Slow, Mixed, Fast)
    • Fixed off time configurable with external resistance
  • Current-sense output (current monitor)
  • Fault indicator pin (FAULT)
  • Protections
    • Overcurrent Protection for each individual channel (OCP)
    • Undervoltage Lockout (UVLO)
    • Thermal shutdown (TSD) TJ = +165°C
  • TQFN38 5mm x 7mm package

Applications

  • Brushed DC motor driver
  • Stepper motor driver
  • Solenoid driver
  • Latched valves

Simplified Block Diagram

Block Diagram - Analog Devices / Maxim Integrated MAX22203 Motor Driver
Đã phát hành: 2021-05-27 | Đã cập nhật: 2024-10-15