Analog Devices Inc. MAX25014 Automotive 4-Channel Backlight Driver
Analog Devices Inc.'s MAX25014 Automotive 4-Channel Backlight Driver features I2C-controlled pulse-width-modulation (PWM) dimming and hybrid dimming, making it ideal for use in vehicle instrument clusters and infotainment displays. The MAX25014's integrated current outputs can sink up to 150mA LED current each. The device accepts a wide 2.5V to 36.0V input voltage range and withstands automotive load-dump events.The internal current-mode switching DC-DC controller supports boost or SEPIC topologies and operates in the 400kHz to 2.2MHz frequency range. The integrated spread spectrum helps reduce EMI. An adaptive output-voltage-control scheme minimizes power dissipation in the LED current-sink paths.
Control is included for an external nMOSFET series switch to reduce quiescent current when the backlight is off and to disconnect the boost converter in the case of a fault.
The AEC-Q100 qualified MAX25014 is available in a 24-pin TQFN package and is designed to operate over the -40°C to +125°C temperature range.
Features
- Wide voltage-range operation
- Operates down to 2.5V supply after startup
- Survives load dumps up to 40V
- High integration
- Complete 4-channel solution including boost controller
- I2C control for minimum parts count
- Robust and low EMI
- Spread-spectrum oscillator
- Phase-shifting
- 400kHz to 2.2MHz switching-frequency range
- nMOS input protection switch
- Multiple diagnostic features
- LED-current measurement
- Boost output voltage measurement
- LED open/short detection and protection
- Boost output undervoltage and overvoltage
- Versatile dimming scheme allows hybrid or PWM-only dimming using DIM input or I2C
- Dimming ratio >10,000:1 using hybrid dimming
- 10,000:1 dimming ratio at 200Hz using PWM dimming
- Compact (4mm x 4mm) 24-pin TQFN and SWTQFN packages
Applications
- Instrument clusters
- Infotainment displays
- Central information displays
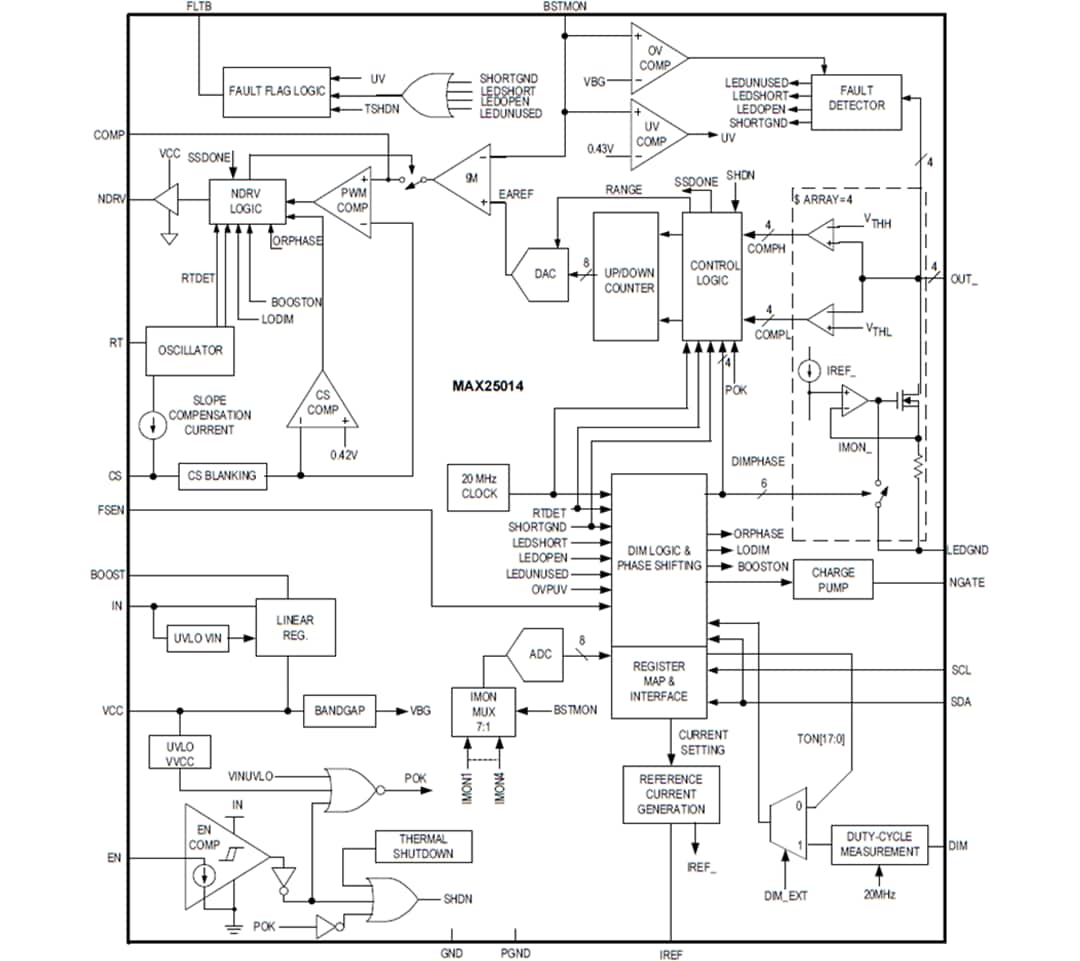
Block Diagram
Typical Application Circuit
Additional Resources
Đã phát hành: 2020-07-10
| Đã cập nhật: 2024-06-03
