Analog Devices Inc. MAX25431 Automotive H-Bridge Buck-Boost Controller

Analog Devices Inc. MAX25431 Automotive H-Bridge Buck-Boost Controller operates with input voltages from 6V to 36V while using only 55μA quiescent current at no load. The wide input voltage range, combined with the ability to maintain constant output voltage during battery transients, makes the MAX25431 ideal for automotive applications.

For light-load applications, a logic input (FSYNC) allows the devices to operate in skip mode for reduced current consumption or fixed frequency, forced-PWM mode. The FSYNC eliminates frequency variation and assists in minimizing EMI. The MAX25431 Controller offers a switching frequency that is resistor programmable from 220kHz to 2.2MHz and can be synchronized to an external clock. Analog Devices MAX25431 Automotive Controller features an output voltage of 5V fixed or adjustable from 3V to 25V. Protection features include a cycle-by-cycle current limit followed by a hiccup during sustained overloads, input under-voltage lockout (UVLO), output overvoltage protection, and thermal shutdown with automatic recovery.

The MAX25431 Automotive H-Bridge Buck-Boost Controller is housed in a small 4mm x 4mm 24-pin TQFN-EP SW package.

Features

  • Meets stringent automotive quality and reliability requirements
    • Operating VIN range of 6V to 36V allows operation in cold-crank conditions
    • Tolerates input transients to 40V
    • EN pin compatible from +3.3V to +40V
    • -40°C to +125°C automotive temperature range
    • AEQ-100 qualified
  • Efficient solution in a small size
    • Skip mode for efficient low-power operation
    • Fixed 5V output voltage and adjustable 4V to 25V
    • High switching frequency allows the use of small external components
    • Small 4mm x 4mm 24-pin SWTQFN package
  • Low quiescent current helps designers meet stringent OEM current requirements
    • 55μA quiescent current when in standby mode
    • 10μA (maximum) quiescent current in shutdown
  • EMI mitigation to meet CISP25 class 5 requirements
    • 220kHz to 2.2MHz operating frequency
    • Fixed-frequency PWM mode
    • External frequency synchronization or SYNC OUT capability (selectable by OTP option)
    • Spread spectrum can be enabled or disabled for the IC by OTP option

Applications

  • Infotainment systems
  • Body electronics
  • Start-stop systems
  • Point of load power supply
  • USB power delivery

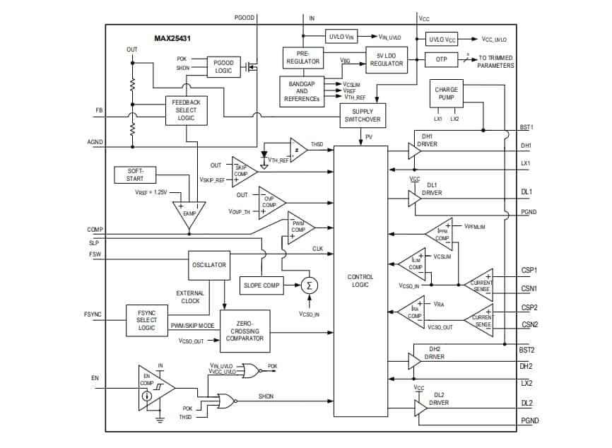
Block Diagram

Block Diagram - Analog Devices Inc. MAX25431 Automotive H-Bridge Buck-Boost Controller
Đã phát hành: 2020-07-30 | Đã cập nhật: 2024-06-17