Analog Devices / Maxim Integrated MAX5996 IEEE® 802.3bt-Compliant Powered Device
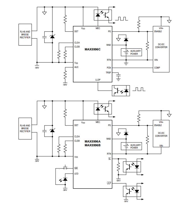
Analog Devices AX5996 IEEE® 802.3bt-Compliant Powered Device complies with the IEEE 802.3af/at/bt standard in a Power-Over-Ethernet (PoE) system with a detection signature, classification signature, and an integrated power switch with startup inrush current control. The MAX5996 limits the current to 135mA during the startup period, and it switches to a higher current limit when the power MOSFET is fully enhanced. The devices feature a Multi-Event classification, Intelligent MPS, Autoclass, and an input UVLO with wide hysteresis and deglitch time to assure glitch-free transition during power-on/off. The MAX5996 withstands a maximum voltage of 100V at the input.Analog Devices MAX5996 IEEE 802.3bt-Compliant Powered Device detects the presence of a wall adapter power and allows a smooth switch-over from the PoE power source to the wall adapter. Additionally, the devices provide a power-good (PG) signal, two-step current limit, foldback control, and overtemperature protection.
The MAX5996 is housed in a 16-pin, 5mm x 5mm, TQFN power package and rated over a -40°C to 125°C temperature range.
Features
- Accurate power telemetry (patent pending)
- Constant power/current limit (patent pending)
- LLDP Power/current level reading (patent pending)
- IEEE802.3bt Compliant
- Built-in 90W isolation switch
- Multi-classification
- Multi-event power level indication
- Simplified wall adapter interface
- Inrush current limit during startup
- Current limit during normal operation
- Overtemperature protection
- AutoClass
- Selectable green MPS
- Intelligent MPS (Patent US9152161)
- 5mm x 5mm, 16-Pin TQFN
Applications
- IEEE 802.3bt Powered devices
- VOIP Phones, IP security cameras
- Wireless access point
- Small cell, picocell
- Lighting
- Building automation
Simplified Block Diagram
Đã phát hành: 2021-09-28
| Đã cập nhật: 2025-07-24
