Analog Devices / Maxim Integrated MAX9389 Differential ECL/PECL Multiplexers
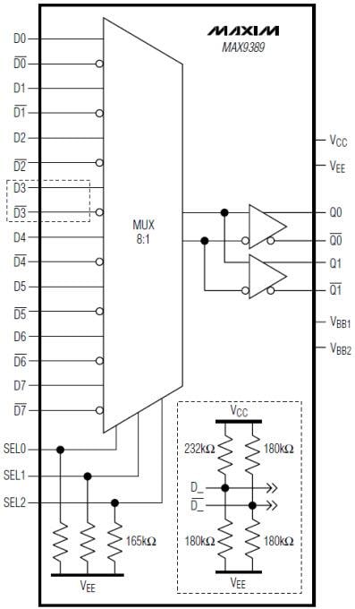
Analog Devices Inc. MAX9389 Differential ECL/PECL Multiplexers are fully differential, high-speed, low-jitter, 8-to-1 ECL/PECL multiplexers (mux) with dual output buffers. These devices are designed for clock and data distribution applications and offer extremely low propagation delay (310ps typ) and output-to-output skew (30ps max). ADI MAX9389 multiplexers operate with a wide supply range (VCC - VEE) of 2.375V to 5.5V. These devices are offered in a 32-pin TQFP package and operate over a -40°C to +85°C extended temperature range.Features
- 310ps Propagation delay
- Guaranteed 2.7GHz operating frequency
- 0.3psRMS Random jitter
- <30ps Output-to-output skew
- -2.375V to -5.5V Supplies for differential LVECL/ECL
- +2.375V to +5.5V Supplies for differential LVPECL/PECL
- Outputs low for open inputs
- Dual output buffers
- >2kV ESD protection (human body model)
Applications
- High-speed telecom and datacom applications
- Central-office backplane clock distribution
- DSLAM/DLC
Functional Diagram
Đã phát hành: 2014-11-13
| Đã cập nhật: 2025-07-31
