Apogee Semiconductor APIO16 Rad-Hard I/O Expander
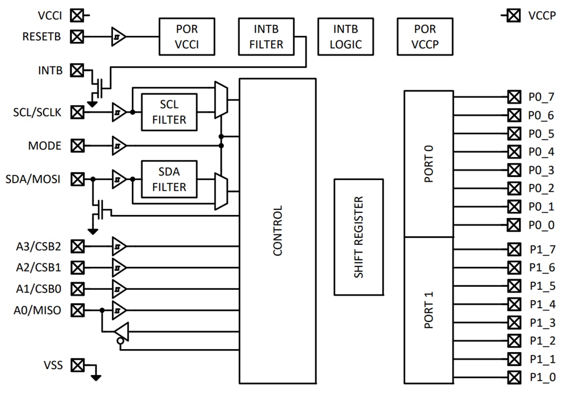
Apogee Semiconductor APIO16 Rad-Hard I/O Expander provides robust and flexible I/O expansion capabilities with voltage level translation, ensuring reliable operation across varying supply voltages. The architecture supports two independent supply rails: VCCI powers the serial interface logic, while VCCP powers the I/O ports. This separation enables seamless interfacing between low-voltage microcontrollers and higher-voltage peripherals. The Apogee Semiconductor APIO16 implements an SMBus-compatible I2C or SPI-based serial bus with two 8-bit ports that an external host can control or read on the bus.Features
- Supports SPI (25MHz) and I2C (1MHz)/SMBus
- Interface rail (VCCI) and port rail (VCCP) operating from 1.4V to 5.5V
- Level translation
- Internal power-on reset (POR)
- Open-drain INTB pin to alert the controller when inputs change
- Cold spareable I/Os with zero power penalty
- Built-in triple redundancy
- TID resilience of 30krad (Si) and 300krad (Si) variants
- SEL/SEU/SEFI immune up to LET of 75MeV-cm2/mg
- Four address pins yielding 16x unique I2C addresses
- Six SEU-immune 8-bit data registers
- Flexible fast comms interface
- Built-in up/down level translation suitable for modern FPGAs (XPIO)
- Enables a below-rated voltage of COTS FPGAs to mitigate SEL sensitivity
- Ensures reliable power-up/-down responses during hot plug and cold sparing operations
- Fault detection and containment
- Simplifies cold-sparing implementations
- Radiation-hardened against Single Event Effect (SEE)
- Suitable solutions for both LEO and GEO missions
- Allows up to 256x control channels on one 2-wire I2C bus
- Enables up to 768-bits of critical system data storage on a single I2C bus
Applications
- Remote command and control of telemetry systems
- Monitoring faults and alerting the control system through interrupt
- Reduction of board and wiring loom mass through a common serial bus
- Critical system configuration storage
Functional Block Diagram
Đã phát hành: 2025-05-27
| Đã cập nhật: 2025-06-10
