Apogee Semiconductor AF54RHC301 Rad-Hard Dual 3-Input Majority Voter
Apogee Semiconductor AF54RHC301 Rad-Hard Dual 3-Input Majority Voter offers two instances of a triple-input voter gate with individual error outputs. This majority voter includes a dedicated error-detected indicator and an external error input signal. The AF54RHC301 majority voter features a built-in triple-redundant design, which allows the device to be immune to Single-Event Transients (SET). This majority voter supports zero-power penalty cold-sparing and class 2 ESD protection (4000V HBM and 500V CDM). The AF54RHC301 majority voter operates within the -55°C to 150°C junction temperature range and delivers maximum VCC output voltage. This majority voter is of evaluation grade and is used in medical imaging, nuclear imaging, and space applications.Features
- Includes error detected indicator
- Offers two instances of triple-input voter gate
- 1.65VDC to 5.5VDC supply voltage range
- Inputs tolerant up to 5.5VDC at any VCC
- 30krad (Si) Total Ionizing Dose (TID) resilience
- Single Event Latchup (SEL) resilient up to LET of 80MeV-cm2/mg
- Fabricated in a 180nm CMOS process using proprietary radiation hardening techniques
- -55°C to 150°C operating junction temperature range
- VCC maximum output voltage
- Proprietary cold-sparing capability with zero static power penalty
- Built-in triple redundancy for enhanced reliability
- Class 2 ESD protection (4000V HBM and 500V CDM)
Applications
- Medical imaging
- Deep space exploration
- Nuclear imaging
- Triple mode redundancy
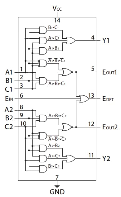
Logic Diagram
Overview
Đã phát hành: 2024-08-28
| Đã cập nhật: 2024-09-05
