Banner Engineering EG24 Precision Edge Sensors
Banner Engineering EG24 Precision Edge Sensors accurately track and measure targets within a 24mm wide field of view, which is ideal for edge web alignment and small part detection. The sensors feature single-edge and double-edge configurable tracking modes to precisely track edges across various moving materials, including different opacities and textures. The EG24 series provides a 40mm sensing range, a <10μm resolution, and a 2kHz measurement frequency to monitor edge movement to maximize process control and reduce material waste. The Banner Engineering EG24 Precision Edge Sensors have a 4-pin M8 connector and are suitable for Class II power supply (UL) or limited power supply (CE).Features
- High-resolution measurement
- Ensures properly positioned material to improve quality and yield
- Monitors edge movement to maximize process control and reduce material waste
- Wide sensing beam
- Various measurement modes
- Single-edge
- Double-edge
Applications
- Web alignment
- Small part detection
- Width measurement
Specifications
- 10VDC to 30VDC supply voltage range
- 0.75W power consumption
- 4mA to 20mA output current range
- 24mm sensing beam (allows for variation in target presentation)
- 40mm sensing range (same resolution at any distance)
- 4-pin M8 connector
- <10μm resolution
- 2kHz measurement frequency
- Suitable for Class II power supply (UL) or limited power supply (CE)
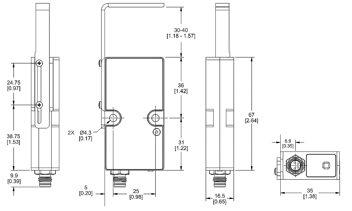
Dimensions (mm)
Videos
Additional Resources
- Product CAD Drawing
- Instruction Manual
- EG24 Brochure
- Application: Precise Material Position Measurement Minimizes Waste in EV Battery Manufacturing
- Application: Width Mode Ensures Quality and Process Verification in Wire Coating
- Application: Web Position Monitoring Reduces Downtime and Scrap in Bubble Mailer Manufacturing
Đã phát hành: 2024-04-24
| Đã cập nhật: 2024-12-04
