Bourns HVMA03F40C-ST10S Flyback Transformer
Bourns HVMA03F40C-ST10S Flyback Transformer is an AEC-Q200 compliant, automotive grade transformer with a 3W output power. This flyback transformer features a 100kHz to 400kHz switching frequency range and 900V working voltage up to 5000m. The HVMA03F40C-ST10S flyback transformer provides basic insulation per IEC 61558-2 and IEC 60664-1 and complies with Moisture Sensitivity Level 1 (MSL 1). This 3W flyback transformer offers a wide operating temperature range from -40°C to 155°C and 10mm creepage with SMT transformer. Typical applications include transistor gate drive power, inverter circuits, battery management systems, motor drives, and power delivery.Features
- 3W flyback transformer
- 100kHz to 400kHz switching frequency range
- 900V working voltage up to 5000m
- SMT transformer with 10mm creepage
- Phenolic bobbin
- Fully insulated Copper wire
- Epoxy glue and Ferrite core
- Basic insulation per IEC 61558-2 and IEC 60664-1
- -40°C to 155°C operating temperature
- Moisture Sensitivity Level 1 (MSL 1)
- AEC-Q200 compliant and automotive grade
Applications
- Transistor gate drive power
- Inverter circuits
- Battery management systems
- Motor drives
- Power delivery
Lead-Free Soldering Profile Graph
Electrical Schematic
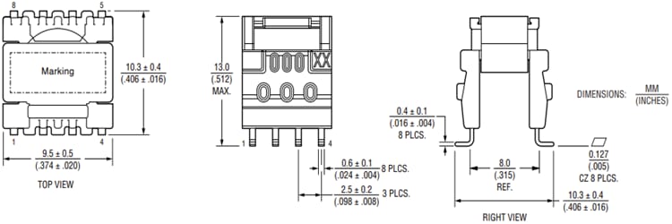
Dimension Diagram
Đã phát hành: 2025-01-06
| Đã cập nhật: 2025-01-13
