Bourns SM353230-181N7Y Chip LAN Transformer
Bourns SM353230-181N7Y Chip LAN Transformer is IEEE 802.3 Ethernet compatible, 1G/2.5G/5G Base-T compatible, and offers a 3.5mm x 3.2mm x 2.9mm size. This transformer has center-tapped components wound on a drum core and capped with a ferrite plate, emulating the result of the close magnetic path of a toroid core. This series features discrete transformers and common mode chokes for a flexible PCB layout. Bourns SM353230-181N7Y Chip LAN Transformer is ideal for high-speed telecommunication and network devices.Features
- IEEE 802.3 Ethernet compatible
- Compatible with 1G/2.5G/5G BASE-T
- 3.5mm x 3.2mm x 2.9mm dimensions
- Discrete transformers and common mode chokes for a flexible PCB layout
- Pairing common mode choke SRF2012A-801Y for EMI reduction
- -40°C to +85°C temperature range
- RoHS compliant and halogen free
- Ideal for high-speed telecommunication and network devices
Applications
- High-speed telecommunications
- Network devices
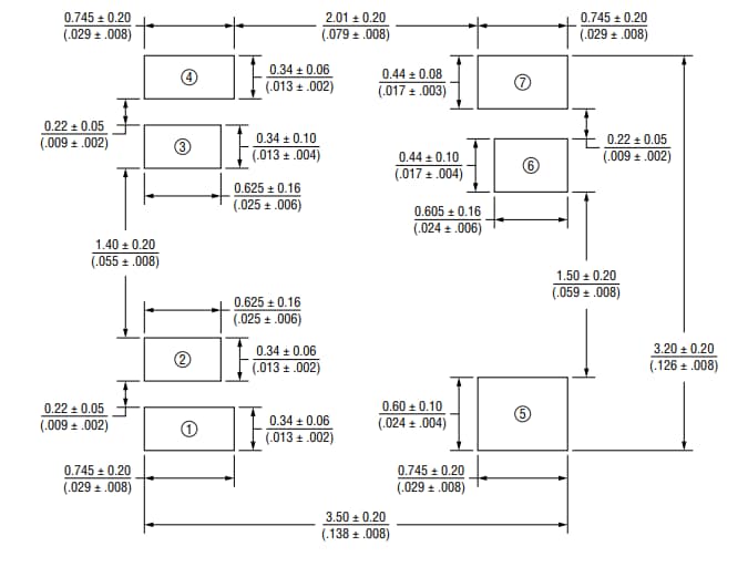
Terminal Dimensions - Top View
Đã phát hành: 2021-01-11
| Đã cập nhật: 2024-03-28
