Bourns Cảm Biến Dòng Mạch Mắc Rẽ SSD-100A-x
Cảm Biến Dòng Mạch Mắc Rẽ SSD-100A-x của Bourns là cảm biến cách ly 24 bit với giao diện CANbus hoặc RS-485/MODBUS. Các cảm biến này có định mức dòng 100 A đến 1.000 A (đỉnh 2 kA đến 20 kA), cách ly điện cực tăng cường 1.500 VDC và bộ nhớ flash ECC với lỗi đơn bit tự động chính xác. Cảm biến SSD-100A-x cũng có dung sai 0,1%, bộ vi điều khiển 150 °C 16 bit và phát hiện lỗi dữ liệu CRC bên trong và bên ngoài. Các cảm biến này bao gồm bù nhiệt độ phi tuyến tính tiên tiến cho hệ thống pin, bộ truyền động động cơ, năng lượng tái tạo và các ứng dụng trạm sạc EV.Các tính năng
- Cảm biến dòng mạch mắc rẽ cách ly 24 bit với giao diện CANbus hoặc RS-485/MODBUS
- Định mức dòng từ 100 A đến 1.000 A (đỉnh 2 kA đến 20 kA)
- Cách ly điện cực tăng cường 1.500 VDC
- Dung sai 0,1%
- Bộ vi điều khiển 150 °C 16 bit
- ADC 24 bit với đầu vào analog đệm
- Bộ nhớ flash ECC với lỗi đơn bit tự động sửa
- Phát hiện lỗi dữ liệu CRC bên trong và bên ngoài
- Bù trừ nhiệt độ phi tuyến tính tiên tiến
Ứng dụng
- Hệ thống pin
- Bộ truyền động động cơ
- Năng lượng tái tạo
- Trạm sạc EV
Thông số kỹ thuật
- Dòng danh nghĩa ±100 A
- +2 dòng đỉnh kA/-1kA (không cắt)
- Điện trở mạch mắc rẽ 300μΩ (không bao gồm điện trở đấu nối chính)
- Băng thông 5 kHz
- Độ tuyến tính < ±0,1% + 5 mA trên khoảng dòng
- Tốc độ tối đa 1100rps (0,9 ms đến 3.300 ms mỗi lần đọc)
- Cường độ điện môi 3.500 VAC RMS 1 phút (1 phút)
Video
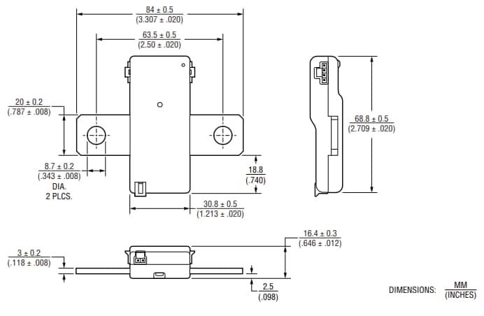
Sơ Đồ Cơ Học
Bảng dữ liệu
Đã phát hành: 2024-06-28
| Đã cập nhật: 2026-01-28
