Broadcom AEAT-9955 Programmable Angular Magnetic Encoder

Broadcom AEAT-9955 Programmable Angular Magnetic Encoder is an angular magnetic rotary sensor that provides accurate angular measurement over a full 360° of rotation. The AEAT-9955 integrates Hall sensor elements with complex analog and digital signal processing into a single device. A simple two-pole magnet generates the necessary magnetic field by rotating it perpendicularly. Wide magnetic field sensor configurations allow On-Axis (end of shaft) or Off-Axis (side of shaft, axial, and radial) modes in applications.

The AEAT-9955 is a versatile solution capable of supporting a broad range of applications with its robust architecture to measure and deliver absolute and incremental signals. The absolute angle measurement instantly indicates the magnet's angular position with a selectable and re-programmable resolution from 10 to 18 bits. When selected, its positioning data is then represented digitally to be assessed through a standard SSI (parity) and SPI (with CRC and Parity option) communication protocol. Where desired, users may also choose to receive its absolute angle position in PWM-encoded output signals. The incremental positions are indicated on ABI and UVW signals with a wide user-configurable resolution from 1CPR and up to 20,000CPR .of ABI signals and pole pairs from 1 to 32 pole pairs (2 to 64 poles) for UVW commutation signals.

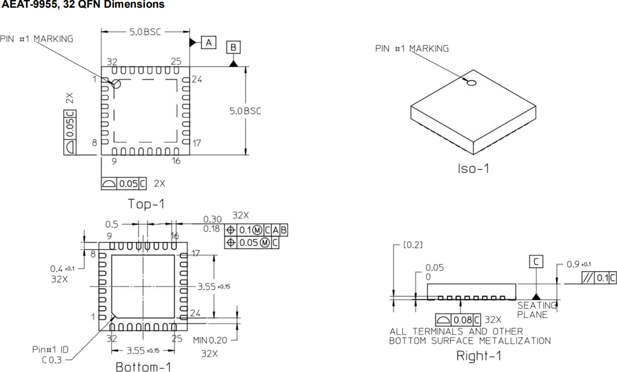
The Broadcom AEAT-9955 Programmable Angular Magnetic Encoder is offered in a compact 5mm x 5mm Quad Flat No-lead (QFN) package with a -40°C to +125°C operating temperature range.

Features

  • 5.0V and 3.3V operating voltage
  • 300μA current consumption in Sleep mode
  • Programmable 10-bits up to 18-bits of absolute resolution
  • The incremental positions are indicated on ABI and UVW signals with a user-configurable CPR from 0CPR to 20,000CPR
  • Commutation angle output UVW 1pp to 32pp
  • Absolute output over 2-wire SSI, 3-wire SSI, 4-wire SPI, and PWM
  • Dedicated output pin for ABI, UVW, and serial interface
  • Dedicated zero reset and error pin
  • EEPROM architecture for multi-time user configuration
  • Optional 56-bit memory lock function
  • Automatic integral non-linearity angle correction for high accuracy
  • Designed conformance to ISO26262 ASIL-D and SIL3 with a secondary chip for redundancy
  • Multi-index with one revolution
  • High-impedance output for multi-slave network
  • -40°C to +125°C operating temperature range
  • 5mm x 5mm QFN-32 package
  • RoHS compliant

Applications

  • Brushless DC motor and stepper motors
  • Resolver and potentiometer replacement
  • Industrial automation and robotics
  • Industrial sewing machine and textile equipment
  • Light Detection and Range (LiDAR)

Block Diagram

Broadcom AEAT-9955 Programmable Angular Magnetic Encoder
Mechanical Drawing - Broadcom AEAT-9955 Programmable Angular Magnetic Encoder
Đã phát hành: 2022-03-24 | Đã cập nhật: 2023-01-24