Broadcom AFBR-59E4APZ Multimode SFF Transceivers
Broadcom AFBR-59E4APZ Multimode SFF Transceivers are a power-saving Small Form Factor (SFF) transceiver that provides the system designer a product to implement a range of solutions for multimode fiber Fast Ethernet. These transceivers are supplied in the industry-standard 2x5 DIP style with an LC fiber connector interface. Each Broadcom AFBR-59E4APZ device operates at a nominal wavelength of 1310nm with an LC fiber connector interface. These transceivers are optimized to work using both 50/125µm and 62.5/125µm multimode fiber.Features
- Multi sourced 2x5 package style
- Operates with 62.5/125μm and 50/125μm multimode fiber
- Single +3.3V power supply
- Wave solder and aqueous wash process compatibility
- Manufactured in an ISO 9001 certified facility
- Compatible with the optical performance requirements of 100Base-FX Version of IEEE 802.3u
- RoHS compliant
- LVPECL signal detect output
- Temperature range
- AFBR-59E4APZ -40°C to +85°C
- AFBR-59E4APZ-HT -40°C to +95°C
Applications
- Factory automation at Fast Ethernet speeds
- Fast Ethernet networking over multimode fiber
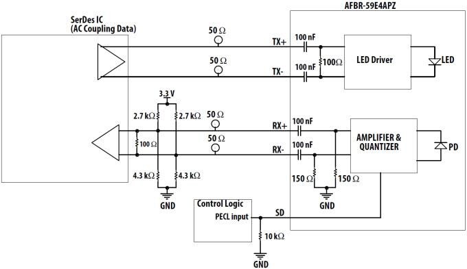
Recommended Termination Circuit
Đã phát hành: 2016-06-07
| Đã cập nhật: 2025-01-14
