Cincon CQM60W 60W Medical Isolated DC-DC Converters

Cincon CQM60W 60W Medical Isolated DC-DC Converters offer 60W of output power at single and dual output voltages of 5VDC, 12VDC, 15VDC, 24VDC, ±12VDC, or ±15VDC in an industry-standard quarter-brick package. The CQM60W offers a wide (4:1) input voltage range of 9VDC to 36VDC (24VDC nominal), high efficiency up to 93.5%, and very low no-load power consumption, providing an ideal solution for energy-critical systems. This medical DC-DC converter series is compliant with IEC/UL 60601-1 3rd for 2x MOPP, EN/IEC 60601-1-2, EN 55032, and EN 55035. The converters feature an isolation voltage of 5000VAC and a very low leakage current (<4.5μA). The design meets CF-rated medical applications, allowing a case operating temperature range of -40°C to +105°C. An optional heat sink is available to extend the full power range of the unit. Standard control functions include remote on/off (positive or negative) and adjustable output voltage within a range of +20% to -10% (except for 5VOUT, which ranges from +20% to -5%). The series is fully protected against input undervoltage lockout (UVLO), output overcurrent (OCP), output overvoltage (OVP), overtemperature (OTP), and continuous short-circuit conditions. The Cincon CQM60W is designed primarily for medical applications, but is also suitable for distributed power architectures, telecommunications, battery-operated equipment, and industrial applications.

Features

  • Up to 93.5% efficiency
  • Fixed switching frequency
  • Regulated outputs
  • Remote on/off
  • Low no-load power consumption
  • Fully protected (OTP/OCP/OVP/UVLO)
  • 5000VAC I/O isolation for 250VAC working voltage
  • -40°C to +105°C operating ambient temperature range
  • EN 60601-1-2, EN 55032, EN 55035 approvals
  • IEC/UL 60601-1 3rd 2 MOPP approval
  • Design meets CF-rated medical applications
  • 5000m operating altitude

Applications

  • Medical
  • Distributed power architectures
  • Telecommunications
  • Battery-operated equipment
  • Industrial

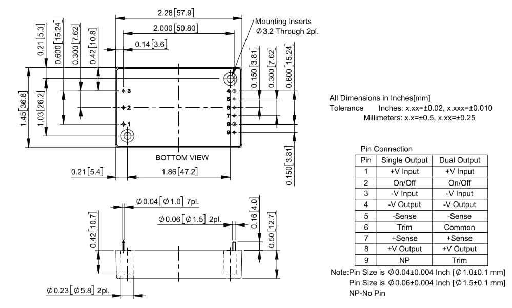
Dimensions & Pins

Mechanical Drawing - Cincon CQM60W 60W Medical Isolated DC-DC Converters

Test Set-Up

Application Circuit Diagram - Cincon CQM60W 60W Medical Isolated DC-DC Converters
Đã phát hành: 2026-01-09 | Đã cập nhật: 2026-01-12