DFRobot FIT1022 IMX179 8MP Autofocus USB Camera Module

DFRobot FIT1022 IMX179 8MP Autofocus USB Camera Module offers high-resolution imaging with dynamic autofocus and plug-and-play USB compatibility. This module features a 1/3.2-inch Sony IMX179 image sensor, a maximum resolution of 3280 x 2464, and a fluid 30FPS frame rate at 1080p. The FIT1022 camera module needs no special drivers, providing instant compatibility with Raspberry Pi, NVIDIA Jetson, LattePanda, RDK X5, and standard PCs. This embedded vision camera supports MJPEG and YUY2 output formats, providing flexibility to optimize image quality and bandwidth across various projects. The FIT1022 camera is ideal for machine vision in robotics, DIY smart security cameras, high-resolution document scanning, PCB scanning, custom webcams, streaming rigs, and interactive Kiosks.

Features

  • Autofocus mode
  • Windows XP/Vista/7/8.1/10/Mac OS/Android/Linux 2.6.2+ (Includes UVC compliance) supported systems
  • TBD Signal-to-Noise Ratio (SNR)
  • TBD Dynamic Range (DR)
  • TBD minimum illumination
  • 1/3.2-inch image sensor size
  • 3280 x 2464 active pixels
  • 1.4μm x 1.4μm pixel size
  • Raw Data 10-bit data output type
  • MJPEG and YUY2 output format

Applications

  • Machine vision for robotics
  • DIY smart security camera
  • High-resolution document and PCB scanner
  • Custom webcam and streaming rig
  • Interactive kiosks and art installations

Specifications

  • Supported resolutions and frame rates (MJPEG):
    • 3264 x 2448 @15FPS and 2592 x 1944 @15FPS
    • 1600 x 1200 @30FPS and 1920 x 1080 @30FPS
    • 1280 x 720 @30FPS and 960 x 540 @30FPS
    • 848 x 480 @30FPS and 640 x 480 @30FPS
    • 640 x 360 @30FPS and 424 x 240 @30FPS
    • 320 x 180 @30FPS
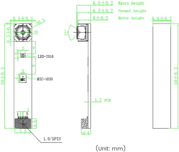
  • 1.0 / 5PIN/USB 2.0 Type-A connection interface
  • 1.5m cable length
  • 480Mbps maximum interface speed
  • 5V ±5% power supply
  • -30°C to 60°C operating temperature range
  • 3.5mm ±5% effective focal length
  • F2.2 ±5% F/NO (Aperture)
  • D:72°±3° FOV (Field of View) angle
  • <-0.5% distortion
  • 5P (5 plastic elements) lens construction
  • M6 x P0.25 default lens mount
  • 10cm - ∞ (infinity) shooting distance

Compatible Systems

DFRobot FIT1022 IMX179 8MP Autofocus USB Camera Module

Dimension Diagram

Mechanical Drawing - DFRobot FIT1022 IMX179 8MP Autofocus USB Camera Module

Kit Contents

  • 1 x IMX179 USB 8MP camera module
  • 1 x 1m USB cable
DFRobot FIT1022 IMX179 8MP Autofocus USB Camera Module
Đã phát hành: 2026-01-19 | Đã cập nhật: 2026-02-26