DFRobot IMX378-79 12.3MP Camera Module
DFRobot IMX378-79 12.3MP Camera Module offers a cutting-edge imaging solution that delivers exceptional performance in industrial applications. This camera module is built with the Sony IMX378 photosensitive chip. The IMX378-79 camera module features ultra-high 12.3MP resolution (4056x3040) and a precise 79° field of view, ensuring crystal-clear imaging. This module is fully compatible with Raspberry Pi single-board computers (Raspberry Pi 5 / Raspberry Pi 4 / Raspberry Pi Zero). The IMX378-79 camera module includes two FPC cables for seamless connectivity, eliminating the need for additional accessories. Typical applications include close-range inspections, object recognition, and industrial automation.
Features
- Sony IMX378 photosensitive chip
- 12.3million pixels
- 1.55um x 1.55um chip pixel size
- 4056x3040 resolution
- Color camera type
- Rolling shutter mode
- Fixed focus mode
- 1/2.3 inches CMOS size
- Integrated infrared filter
- 1.79 aperture
- 4.74mm focal length
- 79° Field of View (FoV)
- <1.5% distortion
- MIPI-CSI-2Lane interface
- M8.5 lens size
- 38mm x 38mm PCB size
Applications
- Close-range inspections
- Object recognition
- Industrial automation
Wiring Diagram
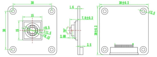
Dimension Diagram of IMX378-79 12.3MP Raspberry Pi Camera
Raspberry Pi CSI Camera Selection Table
Đã phát hành: 2026-02-15
| Đã cập nhật: 2026-03-11
