Diodes Incorporated AP3125 Green Mode PWM Controllers
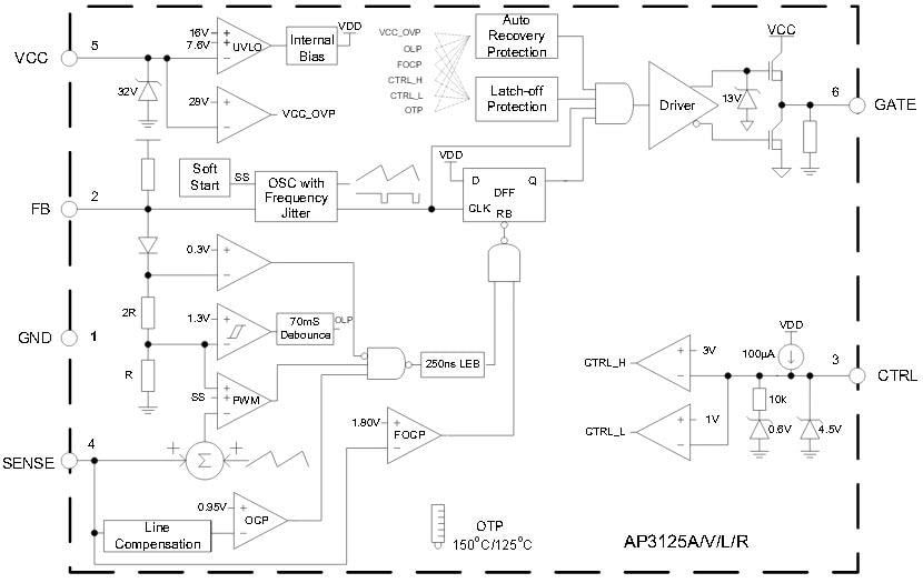
Diodes Inc. AP3125 Green Mode PWM Controllers are current mode PWM controllers which are optimized for high performance, low standby power and cost effective offline flyback converters. The PWM switching frequency at normal operation is internally fixed (about 65kHz). In middle load, the IC will enter green mode to improve system efficiency with the help of frequency foldback. A minimum switching frequency (about 20kHz) is set to avoid the audible noise. In no load or light load, the IC will enter the burst mode to minimize standby power. Furthermore, the frequency dithering function is built-in to reduce EMI emission. Internal slope compensation allows more stable Peak-Current Mode control over a wide range of input voltage and load conditions. Internal line compensation ensures constant output power limit over entire universal line voltage range.Features
- Very low start-up current
- Current mode control
- Non-audible-noise green-mode control
- Internal slope compensation
- Soft start during startup process
- Frequency fold back for high average efficiency
- Secondary winding short protection with FOCP
- Soft switching for reducing EMI
- VCC maintain mode
- Useful pin fault protection:
- SENSE Pin floating
- CTRL Pin short to ground
- FB/Opto-coupler open/short
- Comprehensive system protection feature:
- VCC Over Voltage Protection (VOVP)
- Over Load Protection (OLP)
- Optional latch mode for VOVP, OLP and CTRL pin protection
- Mini size package of SOT26
- Pin to pin compatible with AP3105NA/NV/NL/NR
- Totally lead-free & fully RoHS compliant
- Halogen and antimony free. "Green" device
Applications
- Switching AC-DC adapter/charger
- ATX/BTX Auxiliary power
- Set-top Box (STB) power supply
- Open frame switching power supply
Đã phát hành: 2015-01-06
| Đã cập nhật: 2022-03-11
