Diodes Incorporated DMTH41M2SPSQ N-Channel Enhancement Mode MOSFET
Diodes Incorporated DMTH41M2SPSQ N-Channel Enhancement Mode MOSFET is an AEC-Q101 qualified MOSFET with Low RDS(ON) that ensures minimum on-state losses. This MOSFET features high conversion efficiency and a 100% Unclamped Inductive Switching (UIS) test in production, ensuring a reliable and robust end application. The DMTH41M2SPSQ MOSFET is Lead-free, RoHS-compliant, and Production Part Approval Process (PPAP) capable. Typical applications include engine management systems, body control electronics, and DC-DC converters.Features
- Rated to 175°C:
- Ideal for high ambient temperature environments
- High conversion efficiency
- AEC-Q101 qualified
- PPAP capable
- Low RDS(ON):
- Minimizes ON-state losses
- 100% Unclamped Inductive Switching (UIS) test in production:
- Ensures more reliable and robust end application
- <1.1mm package profile:
- Ideal for thin applications
- Lead-free finish
- RoHS compliant
- Halogen and Antimony free
Specifications
- 40VDSS drain-source voltage
- ±20VGSS gate-source voltage
- 900A pulsed drain current
- 200A continuous body diode forward current
- -55°C to 175°C operating temperature range
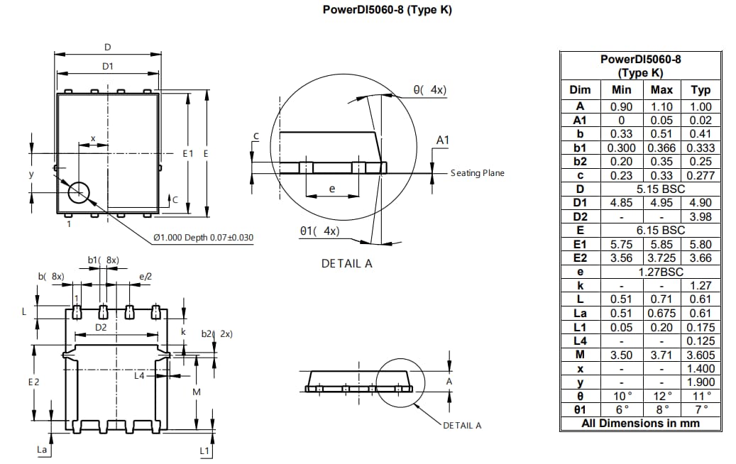
- Package:
- PowerDI®5060-8
- UL Flammability Classification Rating 94V-0
- Weight:
- 0.097 grams
Applications
- Engine management systems
- Body control electronics
- DC-DC converters
Dimensions
Đã phát hành: 2022-12-25
| Đã cập nhật: 2023-01-17
