Diodes Incorporated AP53781 USB PD Dual-Role Power Controller

Diodes Inc. AP53781 USB Power Delivery (PD) Dual-Role Power (DRP) Controller is a fully integrated USB Type-C® PD3.2 DRP controller designed to support the Extended Power Range (EPR)/Adjustable Voltage Supply (AVS) up to 28V, as well as the Standard Power Range (SPR) up to 21V. The Diodes Inc. AP53781 functions as a power consumer by requesting power from a PD3.1 compliant adaptor and also acts as a power provider to supply a Type-C connector-equipped device (TCD). In power-down mode, the AP53781 consumes as little as 50µA and operates without requiring an MCU. For consumer mode, the desired Request Data Object (RDO) is selected using specific resistance values on the VSEL and ISEL pins to define target voltage and current. For provider mode, the Power Data Object (PDO) capability is chosen from eight predefined power profiles via an appropriate resistance on the PDOSEL pin.

The AP53781 integrates Rp/Rd termination resistors and DRP control switches. The component supports QC2.0/3.0 protocols and includes dead-battery mode when acting as a sink. During source operation, VFB feedback control is available for external DC/DC controllers. The device operates from 3.6V to 28V using a low-side current sense topology. Additional features include short-circuit protection between Configuration Channel (CC1/CC2) pins and adjacent high-voltage pins up to 34V. Built-in firmware provides comprehensive safety protections, including overvoltage (OVP), undervoltage (UVP), and overcurrent (OCP) protection.

Features

  • USB PD3.1 v1.8 certified with TID: 11689
  • Supports autonomous DRP control
  • Supports EPR/AVS up to 28V with 100mV/step
  • Supports SPR up to 21V
  • As low as 50µA power-down consumption
  • Source PDO capability selected through external resistor setting
  • Sink RDO voltage/current selected through external resistor settings
  • Supports QC2.0/3.0, either for sink or source role
  • Supports gate drivers for nMOS VBUS power switch
  • Supports analog VFB feedback for external DC/DC
  • 3.6V to 28V operating voltage range with low-side current sense
  • Supports VBUS and VOUT discharge paths
  • Supports dead-battery mode
  • Supports OVP/UVP/OCP with auto-restart
  • Up to 34V VBUS short protection on the CC1/CC2 pins, up to 24V on the DP/DN pins
  • Surface-mount WQFN-16 package
  • Totally lead-free and fully RoHS compliant
  • Halogen-/antimony-free, Green device

Applications

  • Power banks
  • Power tools
  • Wireless speakers
  • E-bikes
  • POS terminals
  • Portable displays

Specifications

  • 3.6V to 28V supply voltage range
  • 2.5mA operating supply current
  • 3V operating supply voltage
  • Thermal
    • 31.3°C/W junction-to-ambient resistance
    • 23.9°C/W junction-to-case (top) resistance
    • 11.5°C/W junction-to-board resistance
    • 0.4°C/W junction-to-top characterization parameter
    • 11.3°C/W junction-to-top characterization parameter
    • 5.8°C/W junction-to-case (bottom) resistance
  • ESD ratings
    • 2kV maximum Human Body Model (HBM)
    • 750V maximum Charged-Device Model (CDM)
  • -40°C to +85°C operating ambient temperature range
  • -40°C to +125°C operating junction temperature range
  • +300°C maximum soldering lead temperature for 10s

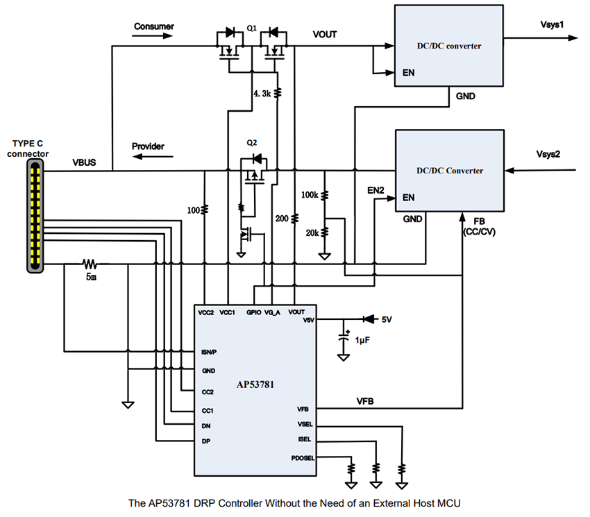
Typical Application Circuit

Application Circuit Diagram - Diodes Incorporated AP53781 USB PD Dual-Role Power Controller

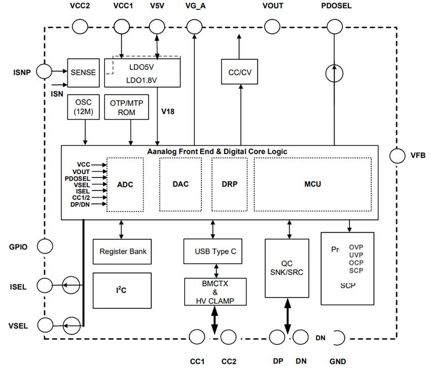
Functional Block Diagram

Block Diagram - Diodes Incorporated AP53781 USB PD Dual-Role Power Controller
Đã phát hành: 2025-11-26 | Đã cập nhật: 2026-01-26