Diodes Incorporated AP64350QSP Evaluation Board
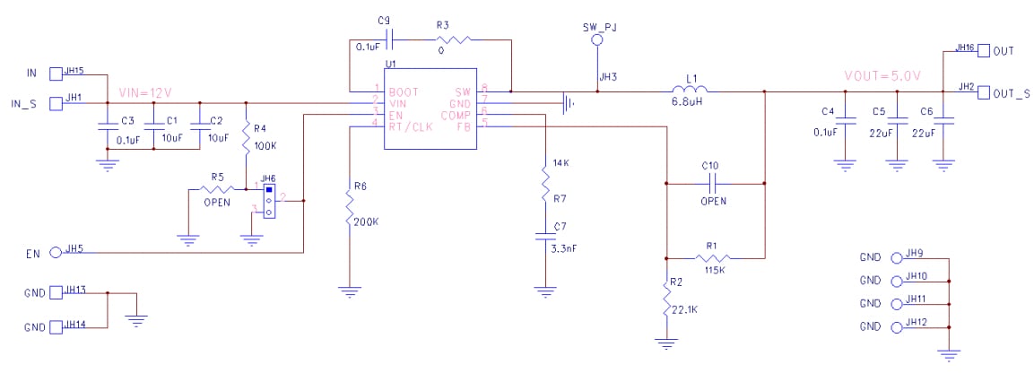
Diodes Incorporated AP64350QSP Evaluation Board features a simple layout and allows access to the appropriate signals through test points. The AP64350QSP evaluation board is designed to evaluate the AP64350Q 3.5A synchronous buck converter. This converter offers a wide input voltage range of 3.8V to 40V. The AP64350Q buck converter fully integrates a 75mΩ high-side power MOSFET and a 45mΩ low-side power MOSFET to provide high-efficiency step-down DC-DC conversion.Features
- 3.8V to 40V input voltage range
- 5V output voltage
- 3.5A continuous output current
- 0.8V ± 1% reference voltage
- 22μA low quiescent current
Applications
- 5V, 12V, and 24V distributed power bus supplies
- White goods and small home appliances
- Home audio
- Network systems
- Consumer electronics
- Cordless power tools
- Optical communication and networking systems
- General-purpose point of load
Board Overview
Schematic Diagram
Đã phát hành: 2020-07-15
| Đã cập nhật: 2024-08-09
