Diodes Incorporated PCI Express (PCIe) Clock Buffers
Diodes Incorporated PCI Express (PCIe) Clock Buffers are low-power 4, 6, and 8-output PCIe buffers with on-chip termination. These PCIe buffers include on-chip termination, eliminating the need for external termination resistors. The PCIe clock buffers support Ethernet applications with 50MHz or 125MHz via SMBus. Diodes Incorporated clock buffers provide various options like a different slew rate and amplitude through strapping pins or SMBUS. This allows users to configure the device easily to get the optimized performance for their individual boards. These buffers also provide an extensive selection of clock buffers ranging from a different number of outputs to zero delays required.Features
- 3.6V maximum supply voltage
- High Speed Current Steering Logic (HCSL) input 100MHz, also support 50MHz or 125MHz via SMBus
- 4, 6, and 8 differential low power HCSL outputs with on-chip termination
- Individual output enable
- Programmable slew rate and output amplitude for each output
- Differential outputs blocked until PLL is locked
- Strapping pins or SMBus for configuration
- 3.3V tolerant SMBus interface support
- Very low jitter outputs:
- Less than 50ps differential cycle-to-cycle jitter
- Less than 20ps differential output-to-output skew
- PCIe Gen1/Gen2/Gen3/Gen4 compliant
- Packaging (Pb-free and green):
- 32-lead 5mm x 5mm TQFN
- 16-pin TQFN
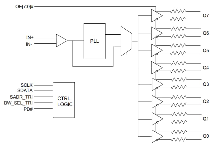
Block Diagram
View Results ( 4 ) Page
| Mã Phụ tùng | Bảng dữ liệu | Mô tả | Số lượng đầu ra | Độ trễ lan truyền - Tối đa | Tần số đầu ra tối đa |
|---|---|---|---|---|---|
| PI6CB18401ZHIEX | ![]() |
Clock Buffer Clock Buffer W-QFN5050-32 T&R 2.5K | 4 Output | 4.5 ns | 100 MHz |
| PI6C5946004ZHIEX | ![]() |
Clock Buffer 6GHz/12Gbps Clock Data Fanout Buffer | 4 Output | 400 ps | 6 GHz |
| PI6CB18601ZLAIEX | ![]() |
Clock Buffer Clock Buffer W-QFN5050-40 T&R 3.5K | 6 Output | 4.5 ns | 100 MHz |
| PI6CB18801ZLIEX | ![]() |
Clock Buffer Clock Buffer V-QFN6060-48 T&R 3K | 8 Output | 4.5 ns | 100 MHz |
Đã phát hành: 2018-08-31
| Đã cập nhật: 2022-09-30

