Diodes Incorporated PI6CB332001 Gen4/Gen5 Clock Buffer
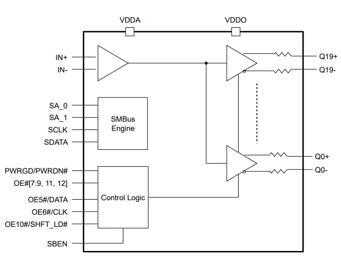
Diodes Incorporated PI6CB332001 Gen4/Gen5 Clock Buffer is a 20-output low-power clock buffer that is capable of distributing the reference clocks for UPI, SAS, and SATA. This clock buffer takes a reference input to fan out twenty 100MHz low power differential High-Speed Current Steering Logic (HCSL) outputs with on-chip terminations. The on-chip termination comes with the ability to save 80 external resistors and to make the layout easier. The OE pins combined with SMBus bits and 3-wire sideband interface provide easy power management for each output. The PI6CB332001 clock buffer offers low jitter that meets PCIe Gen1/Gen2/Gen3/Gen4/Gen5 requirement. This clock buffer supports Intel DB2000QL specification and comes in a small 6mm x 6mm package.Features
- 20 differential low-power HCSL outputs with on-chip termination
- Supports the Intel DB2000QL specification
- 100MHz (typical) and up to 400MHz HCSL input
- Two output enable control modes
- Traditional 8 OE# pins and 20 SMBus bits
- Simple 3-wire side-band interface real-time control
- SMBus interface support
- Spread spectrum tolerant
- <50ps differential output-to-output skew
- Low jitter outputs
- DB2000Q <30fs RMS differential additive phase jitter
- PCIe Gen4 <30fs RMS differential additive phase jitter
- PCIe Gen5 <20fs RMS differential additive phase jitter
- PCIe Gen1/Gen2/Gen3/Gen4/Gen5 compliant
- <3ns low propagation delay
- -40°C to 85°C operating temperature range
- 80-lead 6mm x 6mm dual-row aQFN package
Block Diagram
Complete Timing Solutions Diagram
Additional Resource
Đã phát hành: 2020-07-24
| Đã cập nhật: 2024-08-09
