Diodes Incorporated ZXBM5408Q Brushed DC Motor Driver w/Servo Control

Diodes Incorporated ZXBM5408Q Brushed DC Motor Driver w/Servo Control is a protected H-Bridge driver engineered for automotive manual headlight beam control and industrial servo control applications with DC-brush motor loads. The integrated ZXBM5408Q output stage consists of high-current, low-RDS(on) H-bridge MOSFETs to maximize efficiency. The driver integrates voltage and temperature-compensated internal references, amplifiers, and output H-bridge power switches with low RDS(on). This integration simplifies the circuit design and minimizes external components. The ZXBM5408Q Driver offers flexibility with servo control forward and reverses hysteresis, deadband, and angle amplification easily programmable by external resistors.

The Diodes Inc ZXBM5408Q Brushed DC Motor Driver provides fault condition protection to help protect the motor coil, such as RANGE input short to GND, short-to-supply voltage, or broken wires, by stopping the motor and disconnecting the output stage.

In case of supply undervoltage and overvoltage, the ZXBM5408Q shuts down the output drive to help prevent overvoltage stress on the coil. The overcurrent protection monitors the output current and closes the output stage with periodic retry to help protect the coil from device burnout. Furthermore, overtemperature shutdown allows thermal protection for the driver.

The ZXBM5408Q is housed in the industry standard PDIP-8 (Type A1) and SO-14 (Type A1) packages. The driver is qualified for AEC-Q100 Grade 1 and is automotive compliant, supporting PPAPs.

Features

  • Servo DC motor drive
  • 8V to 18V Wide operating voltage range
  • Built-in H-bridge with low RDSON resistance
  • Output drive current capability of 0.8A (Peak current of 1.5A)
  • Fault protection—RANGE Short to GND, supply or broken wires
  • Overvoltage and undervoltage shutdown
  • Overcurrent protection
  • Thermal protection
  • Green molding in PDIP-8 (Type A1) and SO-14 (Type A1) packages
  • Totally lead-free and fully RoHS compliant
  • Halogen and antimony-free “Green” Device"

Applications

  • Automotive headlight position servo motor
  • 8V/12V/18V Servo DC motors

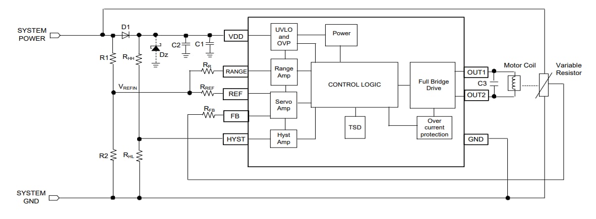
Typical Application

Diodes Incorporated ZXBM5408Q Brushed DC Motor Driver w/Servo Control

Block Diagram

Block Diagram - Diodes Incorporated ZXBM5408Q Brushed DC Motor Driver w/Servo Control

Pin Assignments

Diodes Incorporated ZXBM5408Q Brushed DC Motor Driver w/Servo Control
Đã phát hành: 2022-10-10 | Đã cập nhật: 2022-11-02